Komatsu Parts Catalogs

Title Page Reference
LOW TEMPERATURE CORE 58F-03-02110 034 68027
HIGH TEMPERATURE CORE 58F-03-02100 036 68465


































Item PartNo Description Qty Options Ref Alt
? 58F-03-02190 NUT - 5/16" - 18NC 11
? E3735 FLAT WASHER - 5/16" 42
? C1614 CAPSCREW - 1/2" - 13NC X 1 1/2" 5
? VE3460 CAPSCREW, HEAVY DUTY - 1/2" - 13NC X 1" 5
? VE3461 NUT - 1/2" - 13NC 21
? C1540 LOCKWASHER - 1/2" 20
? VE4440 WASHER - 1/2" 28
? C1602 CAPSCREW - 3/8" - 16NC X 1" 43
? C1521 NUT - 3/8" - 16NC 31
? VE8559 LOCKWASHER - 3/8" 29
? 58F-03-02180 FLAT WASHER - 5/16" 2
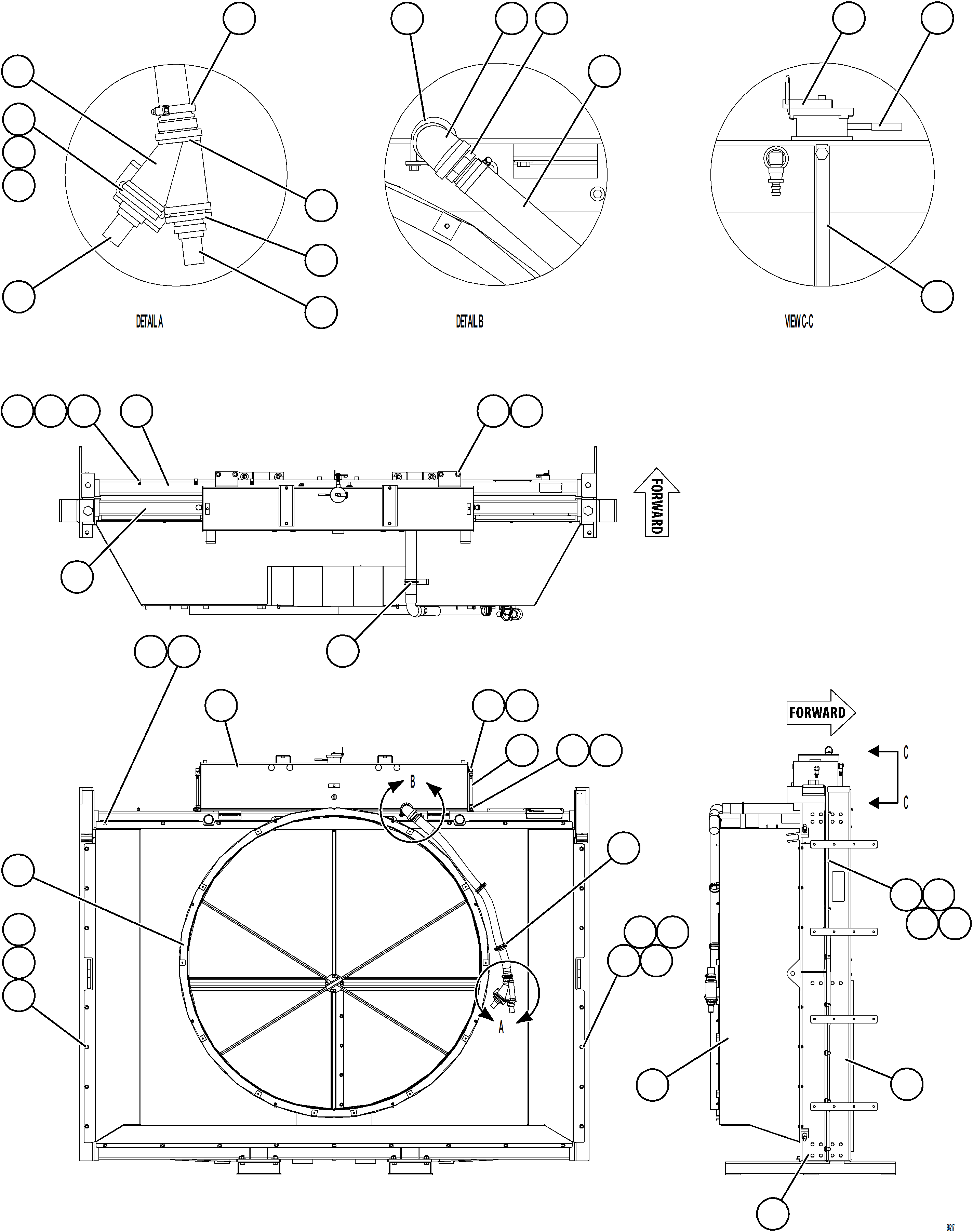
? BF3625 GAUGE, SIGHT 1
? XA2800 HOSE, OVERFLOW 1
? BF4460 HOSE 3
? 58F-03-02110 RADIATOR, AFTERCOOLER (SEE FIG 68027) 1 68027
? XA3794 CLAMP, HOSE 4
? XA5363 U-BOLT - 5/16" - 18NC 1
? BF4464 FITTING, NIPPLE 2
? VE8326 BUSHING, REDUCER 2
? XA3793 FITTING 1
? 58F-03-02160 HOSE 1
? VE1223 CLIP 7
? BF4461 ELBOW 4
? BF4462 SWIVEL 6
? BF4463 ADAPTER 2
? VE1474 CAP - 14 PSI 1
? BF4201 U-BOLT ASSEMBLY 1
? XA3766 NIPPLE 2
? VE4441 ELBOW 1
? XA3516 RING, FAN 1
? 58F-03-02130 TANK, SURGE 1
? 58F-03-02120 SHROUD, FAN 1
? 58F-03-02100 RADIATOR, JACKET WATER (SEE FIG 68465) 1 68465

Dump Trucks Komatsu / AFE NEW / AFE78-AP 930E-5 S/N A40105 - A40106  THEISS(afe78-ap) / RADIATOR & SHROUD ASSEMBLY    58F-03-40000(032 : 68217)
?
?
?
?
?
?
?
?
?
?
?
?
?
?
?
?
?
?
?
?
?
?
?
?
?
?
?
?
?
?
?
?
?
?
?
?
?
?
?
?
?
?
?
?
?
?
?
?