|
Item |
PartNo |
Description |
Qty |
Options |
Ref |
Alt |
|
? |
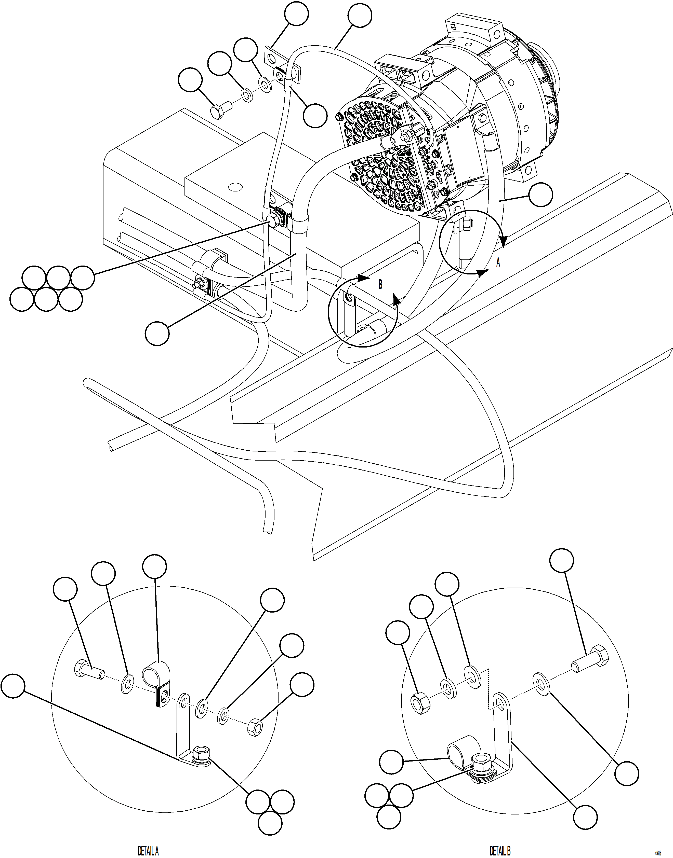
58E-06-04493 |
CABLE, BLACK |
1 |
|
|
|
|
? |
58E-06-04513 |
CABLE, RED |
1 |
|
|
|
|
? |
EM8447 |
PLATE, BENT |
2 |
|
|
|
|
? |
MM0178 |
NUT - M10 X 1.50 |
1 |
|
|
|
|
? |
MM0471 |
LOCKWASHER - M10 |
1 |
|
|
|
|
? |
MM0461 |
FLAT WASHER - M10 |
1 |
|
|
|
|
? |
WB1303 |
CLAMP, CUSHIONED - 3/4" |
7 |
|
|
|
|
? |
MM0605 |
CAPSCREW - M10 X 1.50 X 25 |
2 |
|
|
|
|
? |
426-06-11570 |
BRACKET |
2 |
|
|
|
|
? |
WB1301 |
CLAMP, CUSHIONED - 1/4" |
2 |
|
|
|
|
? |
MM0604 |
CAPSCREW - M10 X 1.50 X 20 |
2 |
|
|
|
|
? |
58E-06-21040 |
HARNESS, WIRING - ALTERNATOR SENSE |
1 |
|
|
|
|
? |
|
NOTE: NS = NOT SHOWN |
|
|
|
|
|
? |
CH4517 |
CABLE, BLACK |
1 |
|
|
|