Komatsu Parts Catalogs

Title Page Reference
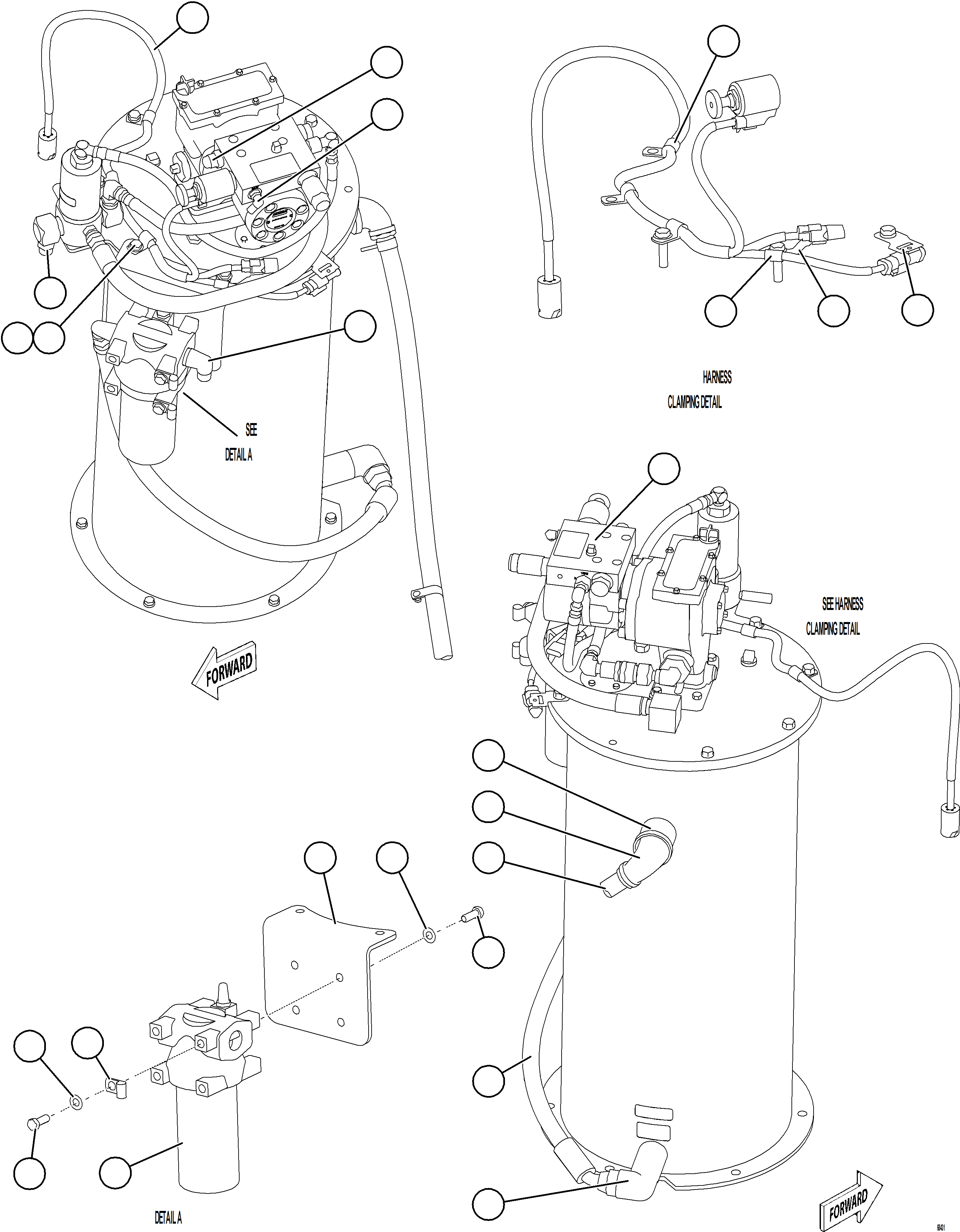
AUTO LUBE FILTER ASSEMBLY PC0811 688 41606
LUBE PUMP/CONTAINER ASSEMBLY 58F-98-40250 690 43900





















Item PartNo Description Qty Options Ref Alt
? VC8762 CAPSCREW - 3/8" - 16NC X 1 1/2" 2
? WA4726 FLAT WASHER, HARDENED - 3/8" 10
? WB0466 FITTING, STRAIGHT 1
? 58F-06-41880 HARNESS, WIRING - AUTOMATIC LUBRICATION 1
? WB0583 FITTING, STRAIGHT 1
? WB0499 FITTING, ELBOW - 90 DEG 1
? WB0268 FITTING, ELBOW - 90 DEG 2
? WB3097 CLAMP, CUSHIONED - 1/2" 3
? WB3098 CLAMP, CUSHIONED - 3/8" 3
? 08193-20012 CLIP 1
? 58B-06-20020 BRACKET 1
? TG5720 CAPSCREW - 3/8" - 16NC X 1" 8
? PC0811 FILTER (SEE INDEX) 1 41606
? EJ0966 BRACKET, FILTER MOUNT 1
? WB0273 FITTING, ELBOW - 90 DEG 1
? 58F-60-10851 HOSE 1
? TG9242 CONNECTOR 1
? TC6969 FITTING, PIPE 1
? SD5205 NIPPLE 1
? 58F-98-40250 PUMP/CONTAINER ASSEMBLY (SEE INDEX) 1 43900

Dump Trucks Komatsu / AFE77-C 830E-5 S/N A50006, A50017, A50025 CLIFFS NORTHSHORE(AFE77-C) / LUBRICATION PUMP SUB-ASSEMBLY(686 : 68431)
?
?
?
?
?
?
?
?
?
?
?
?
?
?
?
?
?
?
?
?
?
?
?
?