Komatsu Parts Catalogs



























Item PartNo Description Qty Options Ref Alt
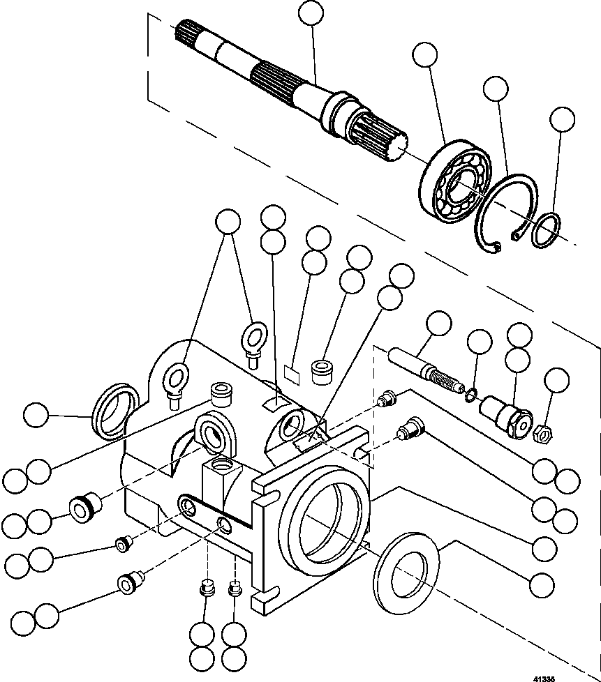
? VE9566 DRIVE SHAFT W/ SPLINE 1
? VE9568 BEARING 1
? VE9570 RING, RETAINING 1
? VE9569 RING, RETAINING 1
? VE9535 EYE BOLT 2
? VE9545 NAME PLATE 1
? VE9544 DRIVE SCREW 8
? VE9542 NAME PLATE 1
? VE9538 PLUG 3
? VE9540 O-RING 3
? VE9543 NAME PLATE 1
? VE9597 STEM 1
? VE9598 O-RING 1
? VE9595 GLAND 1
? 58E-98-00050 O-RING (1) 2
? BF3733 JAM NUT 1
? VE9534 BEARING, RETAINER PIN 2
? VE9612 O-RING 3
? VE9562 PIN, SWASH BLOCK 2
? VE9530 HOUSING, PUMP 1
? VE9567 RETAINER, SEAL 1
? BF0293 O-RING 2
? VE9536 PLUG 1
? VE9532 SEAL, SHAFT 1
? VE9607 PLUG, HOLLOW HEX 1
? 58E-98-00000 NOTE: (1) INCLUDED IN 58E-98-00000 PUMP SEAL KIT.

Dump Trucks Komatsu / AFE77-C 830E-5 S/N A50006, A50017, A50025 CLIFFS NORTHSHORE(AFE77-C) / STEERING PUMP HOUSING (FRONT)    58B-60-00080(360 : 41335)
?
?
?
?
?
?
?
?
?
?
?
?
?
?
?
?
?
?
?
?
?
?
?
?
?
?
?
?
?
?
?
?
?
?
?
?
?