|
Item |
PartNo |
Description |
Qty |
Options |
Ref |
Alt |
|
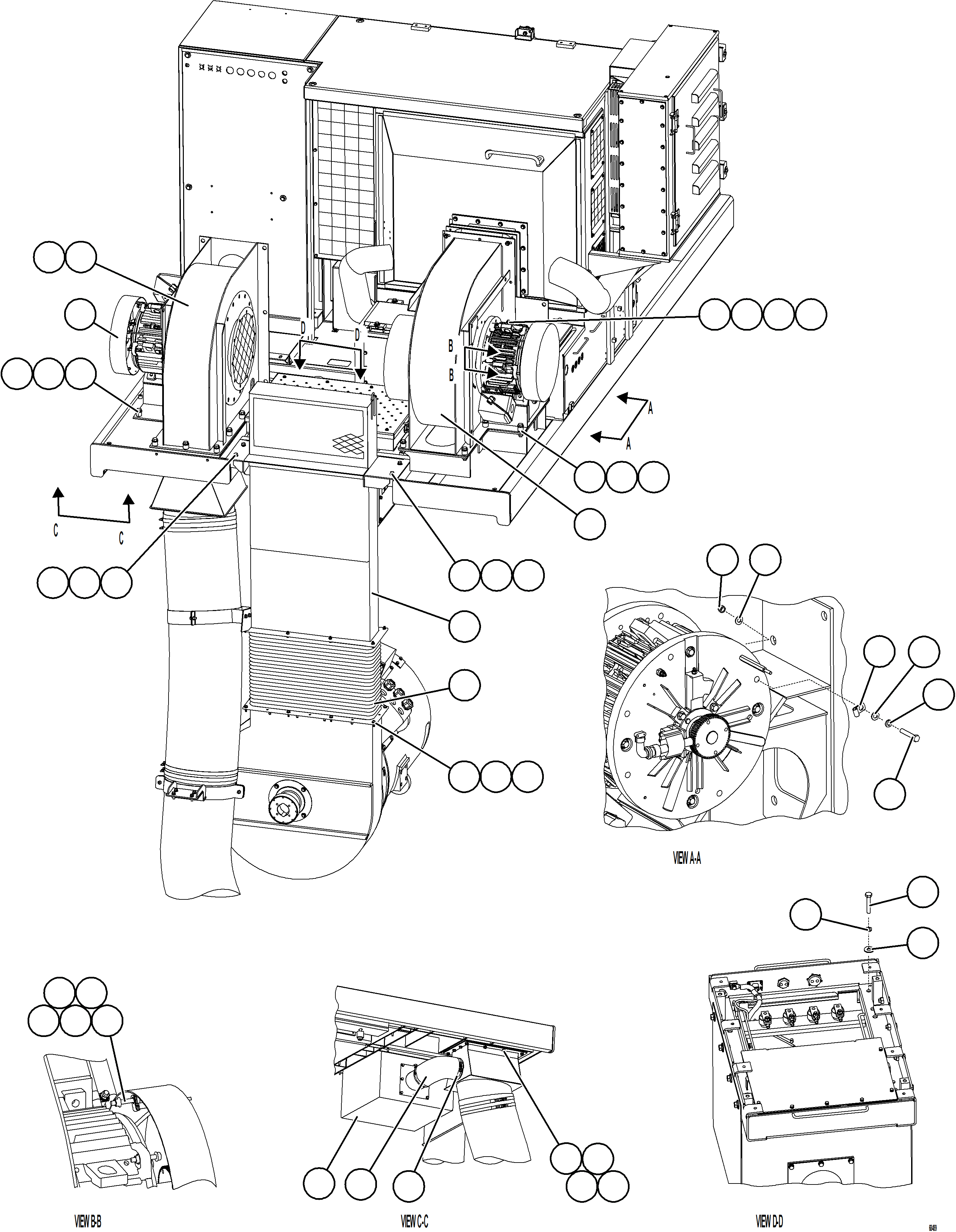
? |
58F-02-00130 |
BLOWER ASSEMBLY |
2 |
|
|
|
|
? |
58F-02-04110 |
BLOWER MOTOR (SEE INDEX) |
2 |
|
45719 |
|
|
? |
58F-02-00600 |
GASKET |
1 |
|
|
|
|
? |
58E-54-17520 |
SPACER |
19 |
|
|
|
|
? |
58E-02-01960 |
GASKET |
1 |
|
|
|
|
? |
MM0619 |
CAPSCREW - M12 X 1.75 X 35 |
16 |
|
|
|
|
? |
MM0472 |
LOCKWASHER - M12 |
16 |
|
|
|
|
? |
MM0462 |
FLAT WASHER - M12 |
16 |
|
|
|
|
? |
58E-06-11011 |
TRANSFORMER, U58 (SEE INDEX) |
1 |
|
45717 |
|
|
? |
58E-03-10200 |
DUCT |
1 |
|
|
|
|
? |
WA1066 |
CLAMP, T-BOLT |
2 |
|
|
|
|
? |
TR6643 |
NUT - 1/2" - 13NC |
4 |
|
|
|
|
? |
MM0093 |
CAPSCREW - M16 X 2.00 X 70 |
19 |
|
|
|
|
? |
MM0706 |
FLAT WASHER, HARDENED - M16 |
19 |
|
|
|
|
? |
58E-54-16500 |
DUCT |
1 |
|
|
|
|
? |
58E-54-19660 |
DUCT, FLEXIBLE |
1 |
|
|
|
|
? |
58F-09-40060 |
CAPSCREW, SOCKET HEAD - 3/8" - 16NC X 1 1/4" |
16 |
|
|
|
|
? |
TC1231 |
LOCKWASHER - 3/8" |
17 |
|
|
|
|
? |
TR4436 |
FLAT WASHER, HARDENED - 3/8" |
18 |
|
|
|
|
? |
VC7083 |
CAPSCREW - 1/2" - 13NC X 3" |
4 |
|
|
|
|
? |
TR5445 |
LOCKWASHER - 1/2" |
8 |
|
|
|
|
? |
VC7836 |
FLAT WASHER - 1/2" |
4 |
|
|
|
|
? |
TV1918 |
CAPSCREW - 1/2" - 13NC X 1 3/4" |
4 |
|
|
|
|
? |
EJ7499 |
WASHER |
8 |
|
|
|
|
? |
TD0791 |
CAPSCREW - 3/8" - 16NC X 2 1/4" |
1 |
|
|
|
|
? |
TC1233 |
NUT - 3/8" - 16NC |
1 |
|
|
|
|
? |
WB1302 |
CLAMP, CUSHIONED - 5/16" |
1 |
|
|
|