k-part.com
Вход
Komatsu Parts Catalogs
Корень
Dump Trucks Komatsu
AFE NEW
AFE75-AL 980E-5 S/N A50141 ESPERANZA SUR(afe75-al)
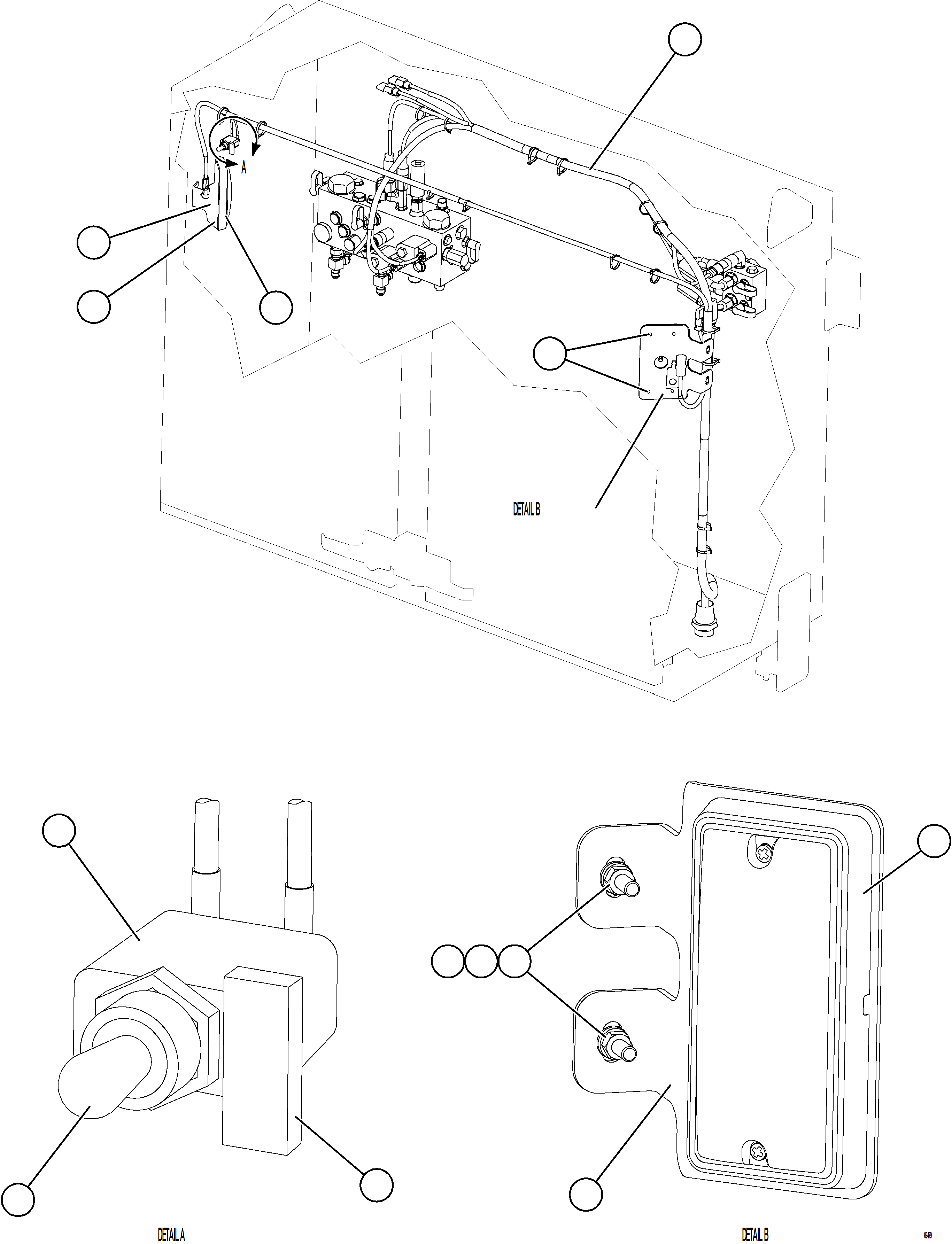
HYDRAULIC BRAKE CABINET INTERNAL WIRING(E-076 : 69479)
Item
PartNo
Description
Qty
Options
Ref
Alt
?
58F-06-05680
HARNESS, WIRING - HYDRAULIC BRAKE CABINET INTERNAL
1
?
PC3010
LIGHT, DOME
2
?
58E-06-10960
• KIT, LENS REPLACEMENT
1
?
WB3770
MACHINE SCREW - #10 - 24NC X 3/4"
8
?
SR8325
SWITCH, TOGGLE
1
?
PB3324
BOOT, SWITCH
1
?
WB3771
NAME PLATE - SLS
1
?
MM0459
FLAT WASHER - M6
4
?
MM0469
LOCKWASHER - M6
4
?
MM0176
NUT - M6 X 1.00
4
?
XC2504
BRACKET, LIGHT
1
?
58E-06-05680
BRACKET, LIGHT
1
?
?
?
?
?
?
?
?
?
?
?
?
?