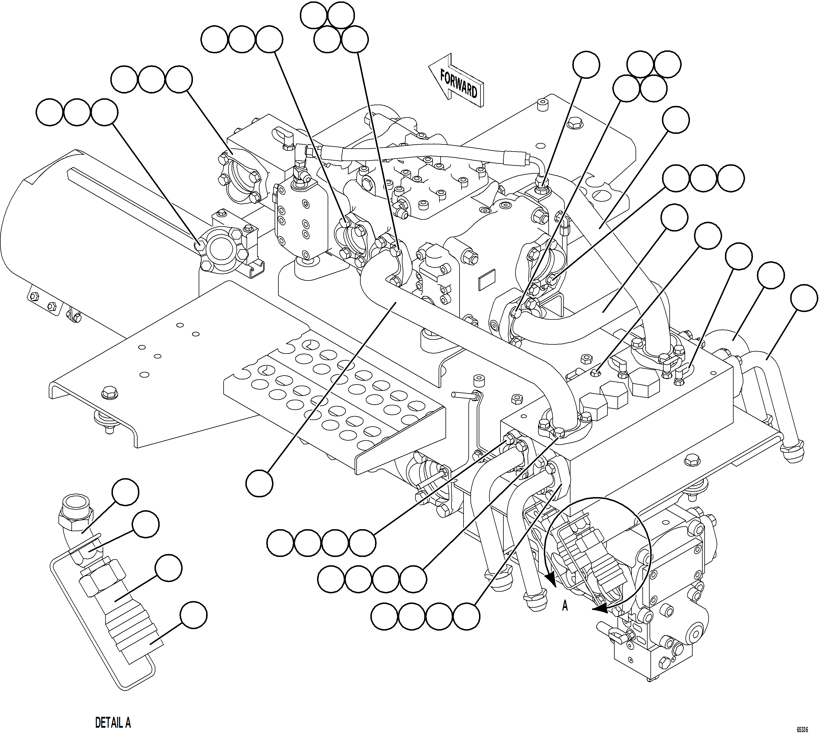
|
Item |
PartNo |
Description |
Qty |
Options |
Ref |
Alt |
|
? |
EK2619 |
TUBE |
1 |
|
|
|
|
? |
VH6718 |
CLAMP, SPLIT FLANGE - 2 1/2" |
4 |
|
|
|
|
? |
WB0584 |
FITTING, STRAIGHT |
1 |
|
|
|
|
? |
EK2618 |
TUBE |
1 |
|
|
|
|
? |
EK2614 |
TUBE |
1 |
|
|
|
|
? |
EK2613 |
TUBE |
2 |
|
|
|
|
? |
EH3596 |
TUBE |
2 |
|
|
|
|
? |
VM0313 |
PLUG |
1 |
|
|
|
|
? |
PB6770 |
COUPLING, MALE QUICK DISCONNECT |
6 |
|
|
|
|
? |
TF5194 |
• O-RING |
6 |
|
|
|
|
? |
162144 |
• CAP, DUST |
6 |
|
|
|
|
? |
TA2968 |
PLUG, DUST |
2 |
|
|
|
|
? |
PB4685 |
COUPLING, HYDRAULIC |
2 |
|
|
|
|
? |
WA3568 |
FITTING, TUBE |
2 |
|
|
|
|
? |
WB0547 |
FITTING, ELBOW - 45 DEG |
2 |
|
|
|
|
? |
TV1918 |
CAPSCREW - 1/2" - 13NC X 1 3/4" |
8 |
|
|
|
|
? |
TR5445 |
LOCKWASHER - 1/2" |
36 |
|
|
|
|
? |
WA5630 |
CLAMP, SPLIT FLANGE - 1 1/4" |
2 |
|
|
|
|
? |
VG9096 |
O-RING |
1 |
|
|
|
|
? |
VC6561 |
CAPSCREW - 1/2" - 13NC X 1 1/2" |
24 |
|
|
|
|
? |
TF8090 |
CLAMP, SPLIT FLANGE - 1 1/2" |
2 |
|
|
|
|
? |
VG9095 |
O-RING |
1 |
|
|
|
|
? |
TF3231 |
CLAMP, SPLIT FLANGE - 2" |
10 |
|
|
|
|
? |
WA0187 |
O-RING |
3 |
|
|
|
|
? |
58F-09-00320 |
CAPSCREW - 1/2" - 13NC X 2 3/4" |
4 |
|
|
|