|
Item |
PartNo |
Description |
Qty |
Options |
Ref |
Alt |
|
? |
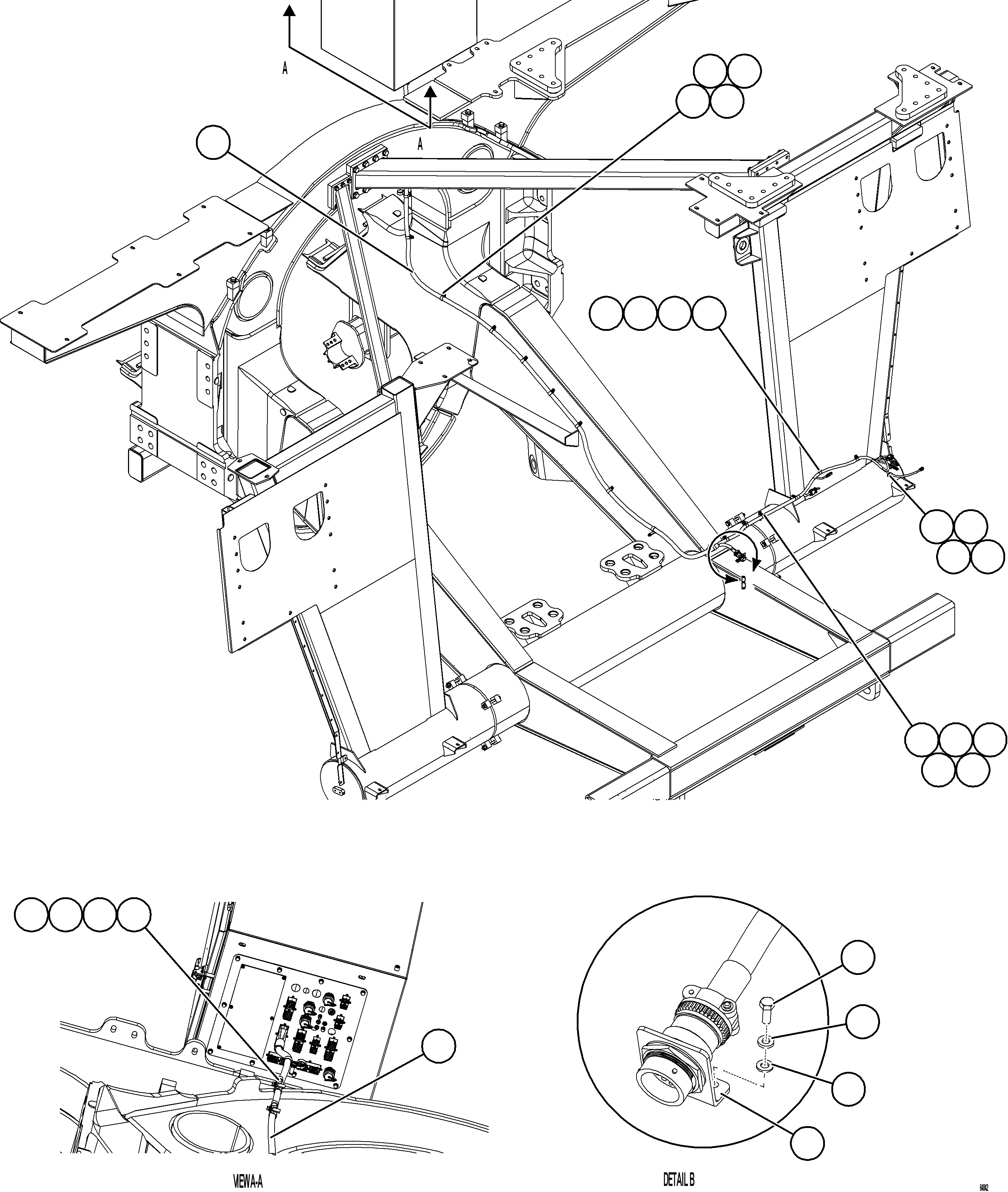
58F-06-02253 |
HARNESS, WIRING - LH FRONT FRAME RAIL |
1 |
|
|
|
|
? |
WB3096 |
CLAMP, CUSHIONED - 1 1/4" |
9 |
|
|
|
|
? |
WB3855 |
CLAMP, CUSHIONED - 13/16" |
4 |
|
|
|
|
? |
WB1300 |
CLAMP, CUSHIONED - 5/8" |
2 |
|
|
|
|
? |
58D-90-00700 |
CLAMP, CUSHIONED - 7/16" |
2 |
|
|
|
|
? |
MM0178 |
NUT - M10 X 1.50 |
14 |
|
|
|
|
? |
MM0471 |
LOCKWASHER - M10 |
14 |
|
|
|
|
? |
MM0461 |
FLAT WASHER - M10 |
14 |
|
|
|
|
? |
EK9883 |
SPACER |
5 |
|
|
|
|
? |
58F-06-00890 |
BRACKET |
1 |
|
|
|
|
? |
MM0581 |
CAPSCREW - M6 X 1.00 X 16 |
2 |
|
|
|
|
? |
MM0469 |
LOCKWASHER - M6 |
2 |
|
|
|
|
? |
MM0459 |
FLAT WASHER - M6 |
2 |
|
|
|