|
Item |
PartNo |
Description |
Qty |
Options |
Ref |
Alt |
|
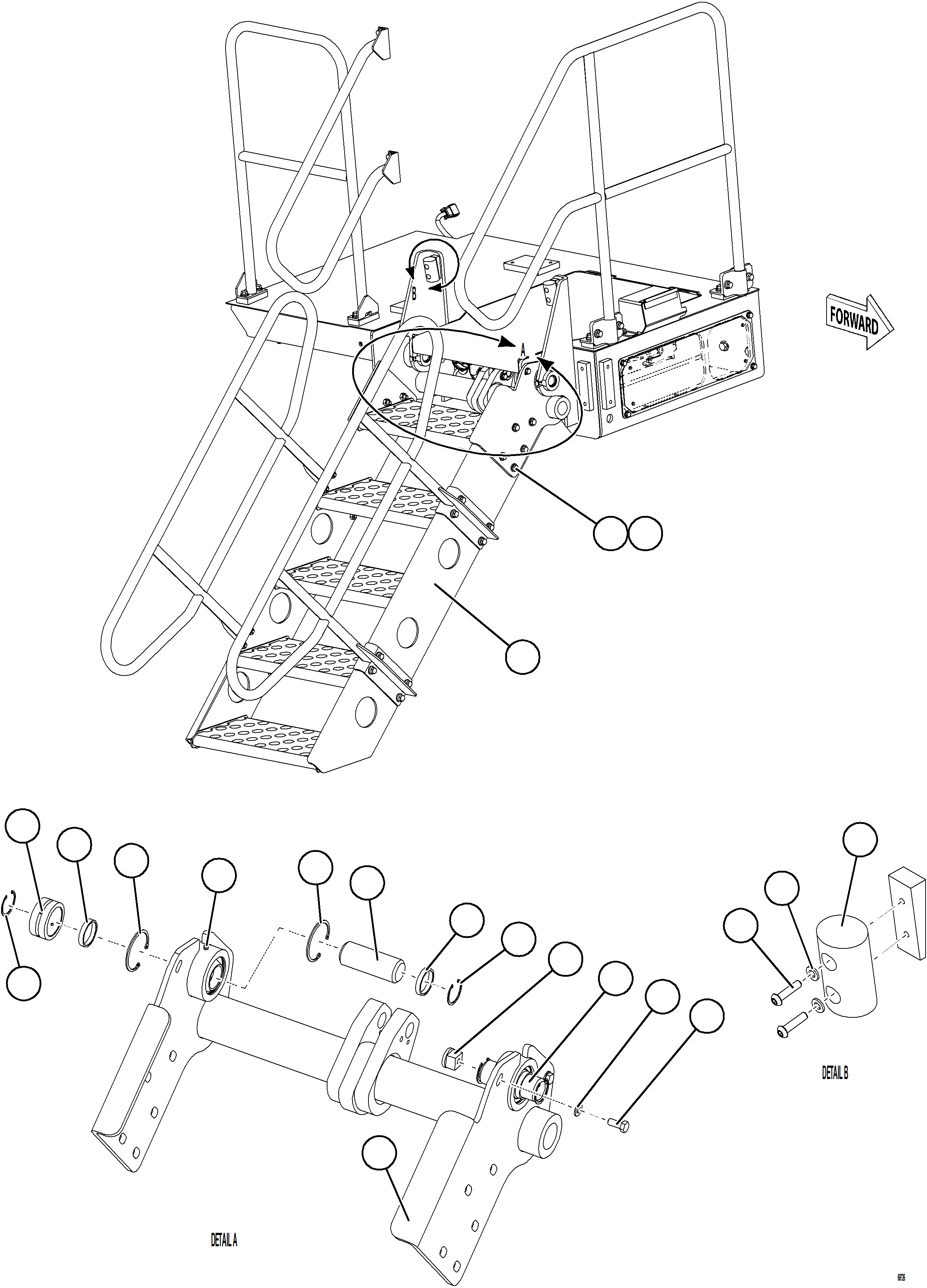
? |
58D-54-10302 |
LADDER, HYDRAULIC |
1 |
|
|
|
|
? |
MM0714 |
FLAT WASHER, HARDENED - M12 |
10 |
|
|
|
|
? |
MM0620 |
CAPSCREW - M12 X 1.75 X 40 |
10 |
|
|
|
|
? |
58E-54-18570 |
MOUNT, LADDER |
1 |
|
|
|
|
? |
MM0461 |
FLAT WASHER - M10 |
16 |
|
|
|
|
? |
01315-20612 |
SCREW |
4 |
|
|
|
|
? |
MM0605 |
CAPSCREW - M10 X 1.50 X 25 |
7 |
|
|
|
|
? |
58E-09-10110 |
BUSHING |
2 |
|
|
|
|
? |
TD1230 |
RING, RETAINER |
4 |
|
|
|
|
? |
58E-09-10120 |
PIN |
2 |
|
|
|
|
? |
SL8698 |
RING, RETAINER |
4 |
|
|
|
|
? |
07020-00001 |
FITTING, GREASE |
2 |
|
|
|
|
? |
XB5184 |
SEAT |
2 |
|
|
|
|
? |
58E-54-18950 |
SPACER |
2 |
|
|
|
|
? |
58B-54-04840 |
BUMPER |
2 |
|
|
|
|
? |
MM0459 |
FLAT WASHER - M6 |
4 |
|
|
|
|
? |
58B-09-00200 |
CAPSCREW - M6 X 1.00 X 25 |
4 |
|
|
|