|
Item |
PartNo |
Description |
Qty |
Options |
Ref |
Alt |
|
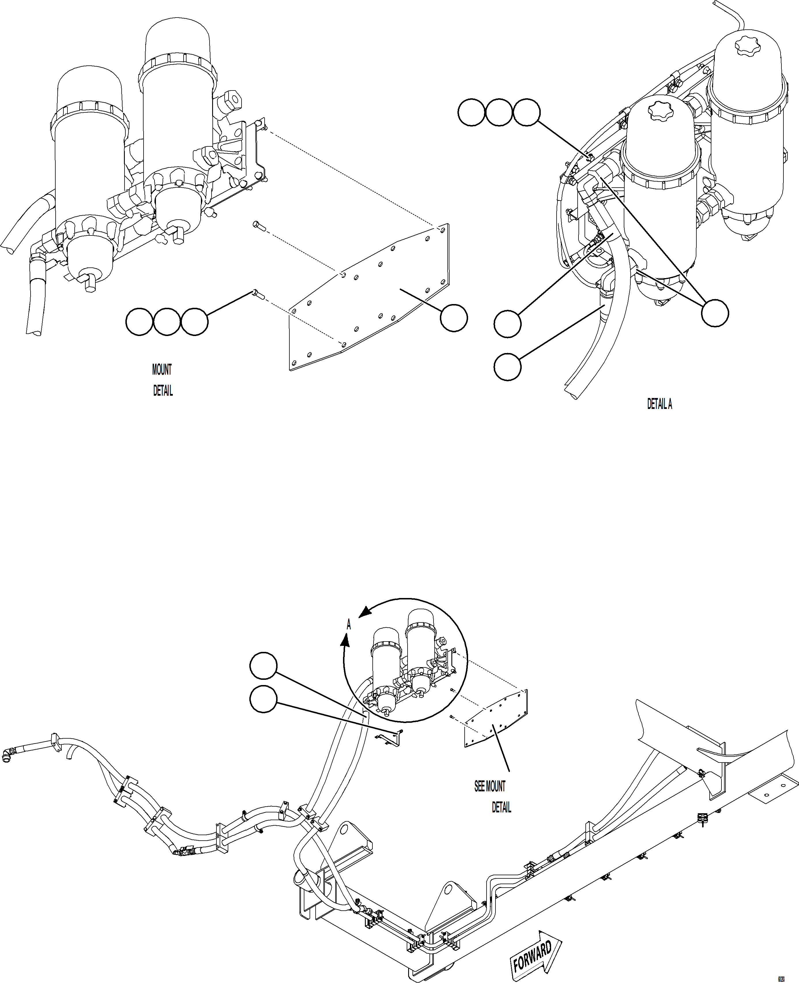
? |
EL9933 |
MOUNT |
1 |
|
|
|
|
? |
TD0791 |
CAPSCREW - 3/8" - 16NC X 1 1/4" |
12 |
|
|
|
|
? |
TC1231 |
LOCKWASHER - 3/8" |
12 |
|
|
|
|
? |
TR4436 |
FLAT WASHER, HARDENED - 3/8" |
12 |
|
|
|
|
? |
MM0472 |
LOCKWASHER - M12 |
4 |
|
|
|
|
? |
MM0462 |
FLAT WASHER - M12 |
4 |
|
|
|
|
? |
MM0617 |
CAPSCREW - M12 X 1.75 X 25 |
4 |
|
|
|
|
? |
PC2262 |
ADAPTER, ELBOW |
2 |
|
|
|
|
? |
58C-04-00050 |
BRACKET |
1 |
|
|
|
|
? |
58F-60-02100 |
HOSE |
1 |
|
|
|
|
? |
HA5443 |
HOSE |
1 |
|
|
|