Komatsu Parts Catalogs

Title Page Reference
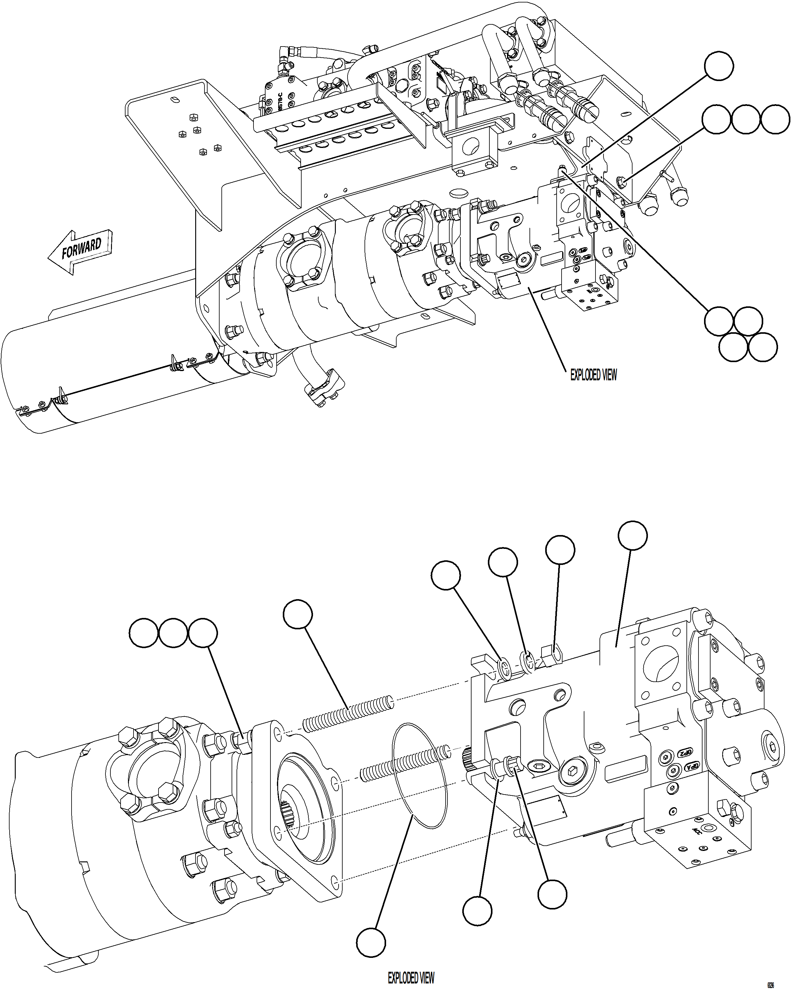
STEERING PUMP SEAL INSTALLATION 58C-60-00080 408 68144
















Item PartNo Description Qty Options Ref Alt
? 58C-60-00080 STEERING PUMP ASSEMBLY (SEE INDEX) 1 68144
? VG9058 RING, SEATING 6
? WA0098 O-RING 1
? WA0878 CAPSCREW - 3/4" - 10NC X 2 1/2" 2
? PC3105 STUD 2
? TR4735 LOCKWASHER - 3/4" 4
? WA0401 NUT - 3/4" - 10NC 4
? EM7741 SPACER 2
? TC1231 LOCKWASHER - 3/8" 2
? TR4434 CAPSCREW - 3/8" - 16NC X 2" 2
? WA4726 FLAT WASHER, HARDENED - 3/8" 2
? EH8957 BRACKET 1
? TR4229 CAPSCREW - 5/8" - 11NC X 1 3/4" 2
? WA4729 FLAT WASHER, HARDENED - 5/8" 4
? VN9952 LOCKNUT - 5/8" - 11NC 2

Dump Trucks Komatsu / AFE NEW / AFE78-AY 930E-5 S/N A40170  THEISS(afe78-ay) / STEERING PUMP INSTALLATION(406 : 68296)
?
?
?
?
?
?
?
?
?
?
?
?
?
?
?
?
?
?
?