|
Item |
PartNo |
Description |
Qty |
Options |
Ref |
Alt |
|
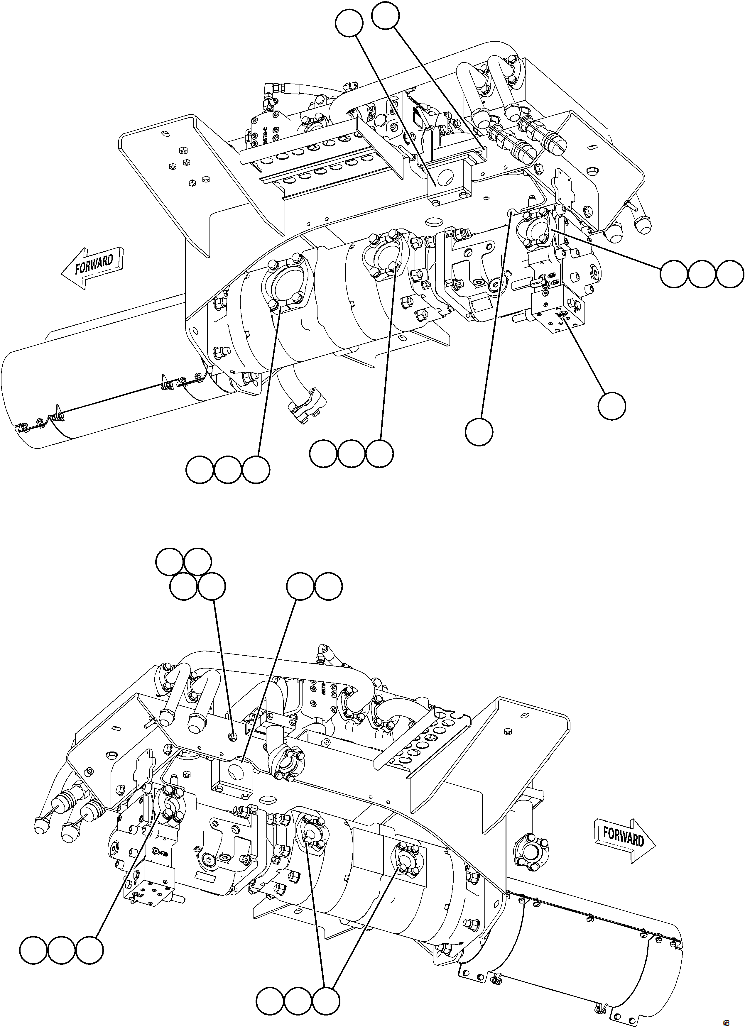
? |
WA5629 |
CLAMP, SPLIT FLANGE |
2 |
|
|
|
|
? |
VH6718 |
CLAMP, SPLIT FLANGE - 2 1/2" |
2 |
|
|
|
|
? |
TF3231 |
CLAMP, SPLIT FLANGE - 2" |
4 |
|
|
|
|
? |
TR4229 |
CAPSCREW - 5/8" - 11NC X 1 3/4" |
4 |
|
|
|
|
? |
VC1390 |
LOCKWASHER - 5/8" |
12 |
|
|
|
|
? |
TV1918 |
CAPSCREW - 1/2" - 13NC X 1 3/4" |
4 |
|
|
|
|
? |
58B-09-00510 |
CAPSCREW - 5/8" - 11NC X 2 1/4" |
4 |
|
|
|
|
? |
VN7716 |
CLAMP, SPLIT FLANGE - 4" |
2 |
|
|
|
|
? |
VC1388 |
CAPSCREW - 5/8" - 11NC X 2" |
4 |
|
|
|
|
? |
VL9963 |
CLAMP, SPLIT FLANGE - 3" |
2 |
|
|
|
|
? |
VC6561 |
CAPSCREW - 1/2" - 13NC X 1 1/2" |
12 |
|
|
|
|
? |
WA4728 |
FLAT WASHER, HARDENED - 1/2" |
4 |
|
|
|
|
? |
TR5445 |
LOCKWASHER - 1/2" |
16 |
|
|
|
|
? |
WA0399 |
NUT - 1/2" - 13NC |
4 |
|
|
|
|
? |
WB0988 |
CLAMP, HEAVY DUTY |
2 |
|
|
|
|
? |
58B-60-50000 |
ANGLE |
1 |
|
|
|
|
? |
WB0499 |
FITTING, ELBOW - 90 DEG |
1 |
|
|
|
|
? |
WB0520 |
FITTING, ELBOW - 90 DEG |
1 |
|
|
|
|
? |
58F-60-00880 |
ANGLE |
1 |
|
|
|