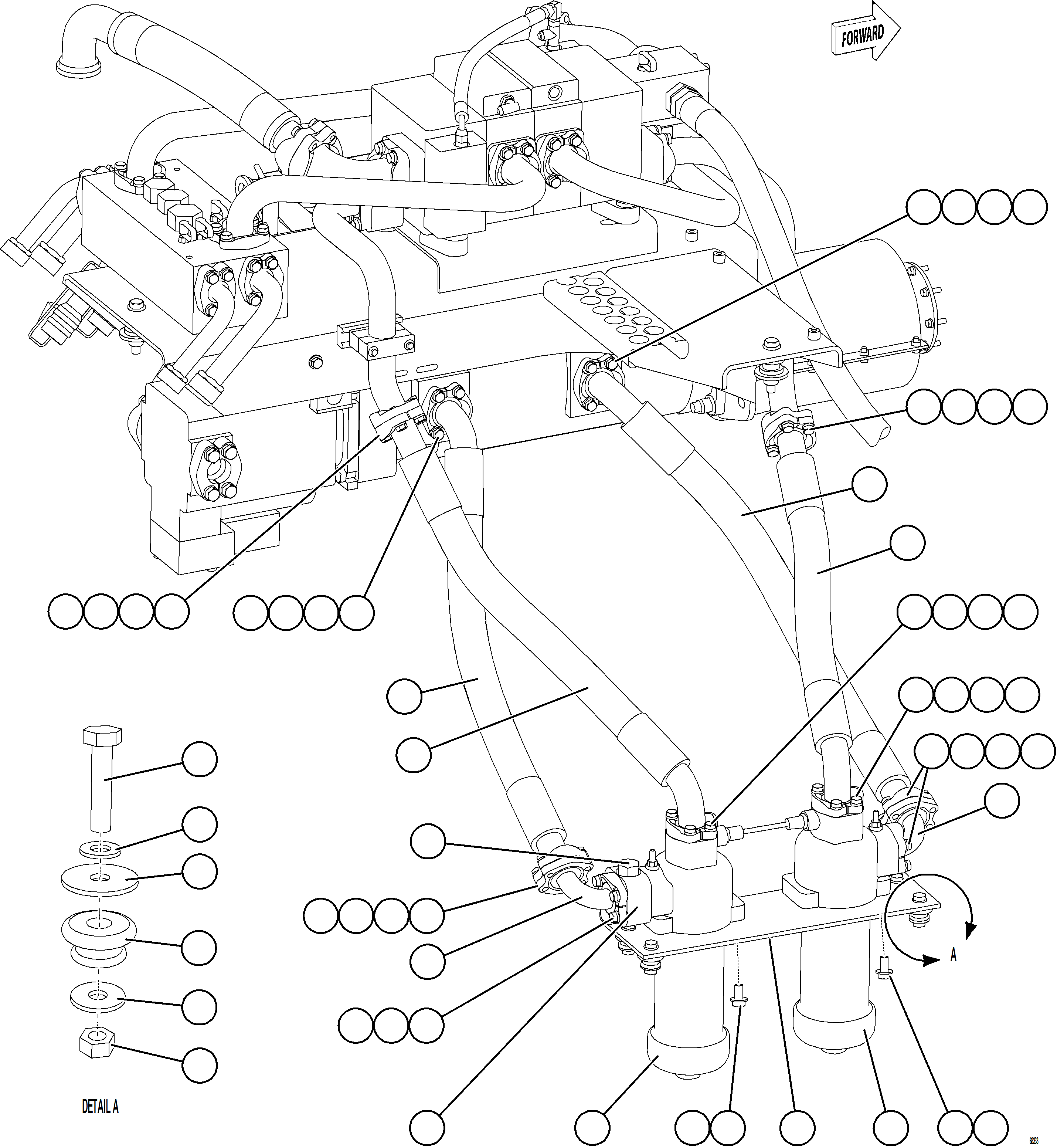
|
Item |
PartNo |
Description |
Qty |
Options |
Ref |
Alt |
|
? |
VC6561 |
CAPSCREW - 1/2" - 13NC X 1 1/2" |
24 |
|
|
|
|
? |
TR5445 |
LOCKWASHER - 1/2" |
24 |
|
|
|
|
? |
TF3231 |
CLAMP, SPLIT FLANGE - 2" |
12 |
|
|
|
|
? |
WA0187 |
O-RING |
10 |
|
|
|
|
? |
HA7908 |
HOSE |
1 |
|
|
|
|
? |
HA8311 |
HOSE |
1 |
|
|
|
|
? |
VM0319 |
PLUG |
1 |
|
|
|
|
? |
58F-09-00330 |
CAPSCREW - 1/2" - 13NC X 3 1/2" |
4 |
|
|
|
|
? |
PB8318 |
ELBOW |
2 |
|
|
|
|
? |
58F-60-00990 |
FILTER (1) (SEE FIG 68208) |
2 |
|
68208 |
|
|
? |
58F-60-10960 |
PLATE |
1 |
|
|
|
|
? |
VC1387 |
CAPSCREW - 1/2" - 13NC X 1" |
4 |
|
|
|
|
? |
TR6008 |
FLAT WASHER - 1/2" |
12 |
|
|
|
|
? |
VC6500 |
CAPSCREW - 1/2" - 13NC X 2" |
4 |
|
|
|
|
? |
HA7906 |
HOSE |
1 |
|
|
|
|
? |
58F-60-10950 |
HOSE |
1 |
|
|
|
|
? |
WA0471 |
CAPSCREW - 1/2" - 13NC X 2 1/4" |
4 |
|
|
|
|
? |
PC2057 |
WASHER, HEAD |
4 |
|
|
|
|
? |
WA2586 |
MOUNT, RUBBER |
4 |
|
|
|
|
? |
PC2058 |
WASHER, TAIL |
4 |
|
|
|
|
? |
TR6643 |
NUT - 1/2" - 13NC |
4 |
|
|
|
|
? |
EM7998 |
BLOCK, ADAPTER |
1 |
|
|
|
|
? |
|
NOTE: (1) NOT SERVICED AS AN ASSEMBLY. ORDER |
|
|
|
|
|
? |
|
INDIVIDUAL COMPONENT PARTS. |
|
|
|
|