|
Item |
PartNo |
Description |
Qty |
Options |
Ref |
Alt |
|
? |
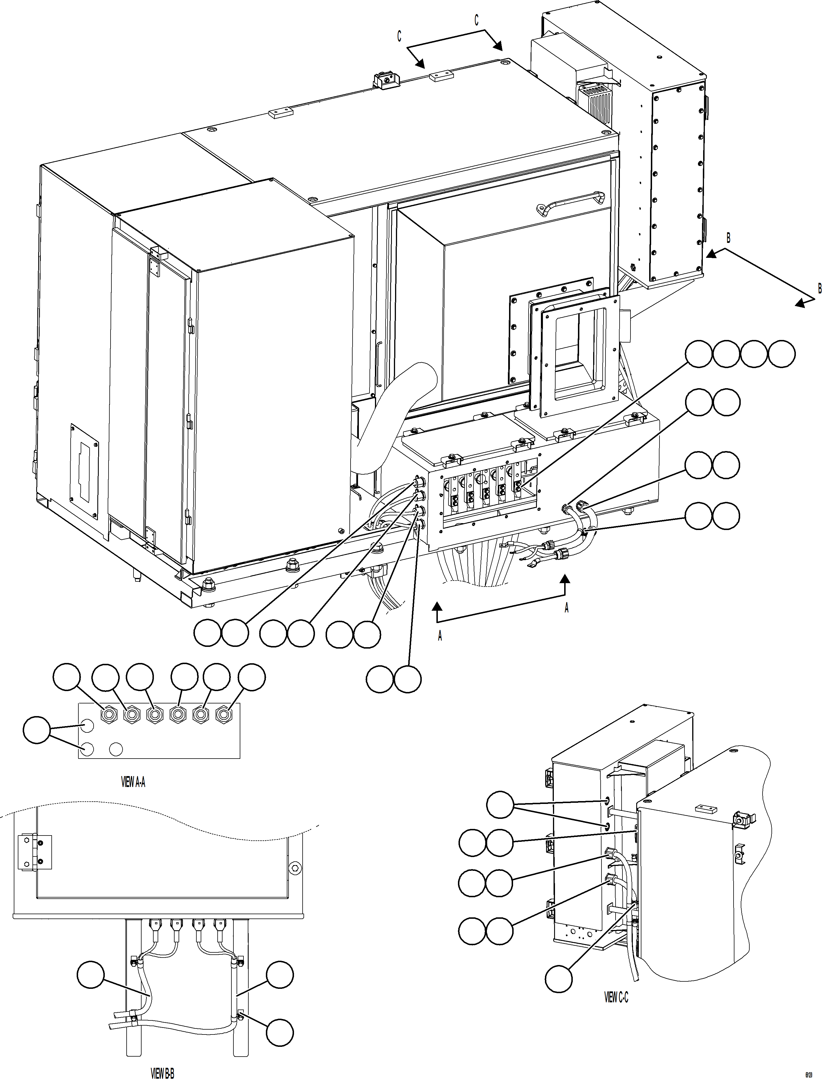
58F-06-20270 |
CABLE, TM1 TB |
1 |
|
|
|
|
? |
58F-06-20170 |
CABLE, TM1 TA |
1 |
|
|
|
|
? |
58F-06-20370 |
CABLE, TM1 TC |
1 |
|
|
|
|
? |
58F-06-20470 |
CABLE, TM2 TC |
1 |
|
|
|
|
? |
58F-06-20570 |
CABLE, TM2 TB |
1 |
|
|
|
|
? |
58F-06-20670 |
CABLE, TM2 TA |
1 |
|
|
|
|
? |
58F-06-02951 |
CABLE, F1 |
1 |
|
|
|
|
? |
58F-06-02961 |
CABLE, T19 |
1 |
|
|
|
|
? |
58F-06-03561 |
CABLE, F2 |
1 |
|
|
|
|
? |
58F-06-03461 |
CABLE, T20 |
1 |
|
|
|
|
? |
58F-06-02971 |
CABLE, CGB MAIN PHASE |
1 |
|
|
|
|
? |
58F-06-03041 |
HARNESS, WIRING - WMB MAIN |
1 |
|
|
|
|
? |
58E-06-13141 |
HARNESS, WIRING - TRANS SEC |
1 |
|
|
|
|
? |
58E-06-13131 |
HARNESS, WIRING - TRANS PRI |
1 |
|
|
|
|
? |
58F-06-03050 |
HARNESS, WIRING - WM/CG SPD |
1 |
|
|
|
|
? |
58F-06-02881 |
HARNESS, WIRING - GB SPD SE |
1 |
|
|
|
|
? |
VC8762 |
CAPSCREW - 3/8" - 16NC X 1 1/2" |
12 |
|
|
|
|
? |
TR4436 |
FLAT WASHER, HARDENED - 3/8" |
24 |
|
|
|
|
? |
TC1231 |
LOCKWASHER - 3/8" |
12 |
|
|
|
|
? |
TC1233 |
NUT - 3/8" - 16NC |
12 |
|
|
|
|
? |
EM6779 |
O-RING, METAL CLAD - 1 1/4" |
5 |
|
|
|
|
? |
EM6780 |
O-RING, METAL CLAD |
13 |
|
|
|
|
? |
EM8107 |
O-RING, METAL CLAD - 1 1/2" |
9 |
|
|
|
|
? |
WB3093 |
CLAMP, CUSHIONED - 1" |
10 |
|
|
|
|
? |
EM6944 |
SPACER |
1 |
|
|
|
|
? |
58E-09-10000 |
ROD, THREADED - 3/8" - 16NC X 2 3/4" |
1 |
|
|
|
|
? |
TC1234 |
CAPSCREW - 3/8" - 16NC X 3/4" |
4 |
|
|
|
|
? |
WB3855 |
CLAMP, CUSHIONED - 13/16" |
1 |
|
|
|
|
? |
WB1305 |
CLAMP, CUSHIONED - 1 1/2" |
2 |
|
|
|