Komatsu Parts Catalogs
























Item PartNo Description Qty Options Ref Alt
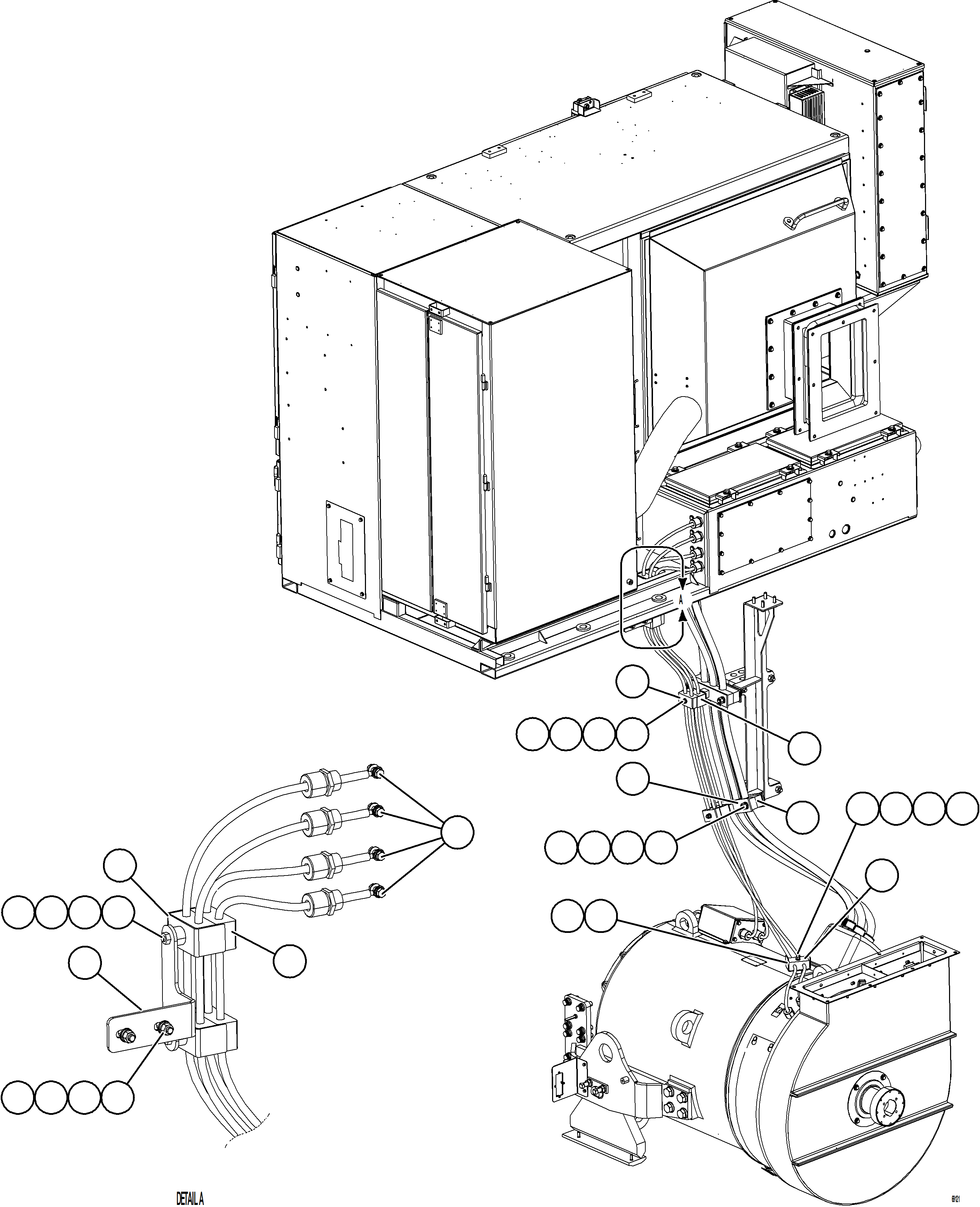
? 58F-81-00600 BRACKET 1
? XB8566 PLATE 5
? MM0462 FLAT WASHER - M12 4
? MM0472 LOCKWASHER - M12 2
? MM0620 CAPSCREW - M12 X 1.75 X 40 2
? XB8957 CLAMP UHMW 2 HOLE CABLE 9
? MM0461 FLAT WASHER - M10 18
? TC1231 LOCKWASHER - 3/8" 1
? MM0178 NUT - M10 X 1.50 18
? 58F-80-05120 STUD, THREADED - 3/8" - 16NC X 5" 1
? 58F-81-00800 BRACKET 2
? 58E-06-15100 CLAMP UHMW 3 HOLE CABLE 2
? EB9886 STUD, THREADED 4
? TR4436 FLAT WASHER, HARDENED - 3/8" 4
? MM0471 LOCKWASHER - M10 13
? TC1233 NUT - 3/8" - 16NC 1
? MM0181 NUT - M16 X 2.00 4
? MM0474 LOCKWASHER - M16 4
? MM0464 FLAT WASHER - M16 4
? XB8956 STUD, THREADED - M16 4
? MM0179 NUT - M12 X 1.75 2
? TD0791 CAPSCREW - 3/8" - 16NC X 1 1/4" 4
? XB8579 BLOCK 1

Dump Trucks Komatsu / AFE NEW / AFE78-AY 930E-5 S/N A40170  THEISS(afe78-ay) / CONTROL CABINET EXTERNAL WIRING - ALTERNATOR(246 : 69121)
?
?
?
?
?
?
?
?
?
?
?
?
?
?
?
?
?
?
?
?
?
?
?
?
?
?
?
?
?
?
?