k-part.com
Вход
Komatsu Parts Catalogs
Корень
Dump Trucks Komatsu
AFE NEW
AFE78-AY 930E-5 S/N A40170 THEISS(afe78-ay)
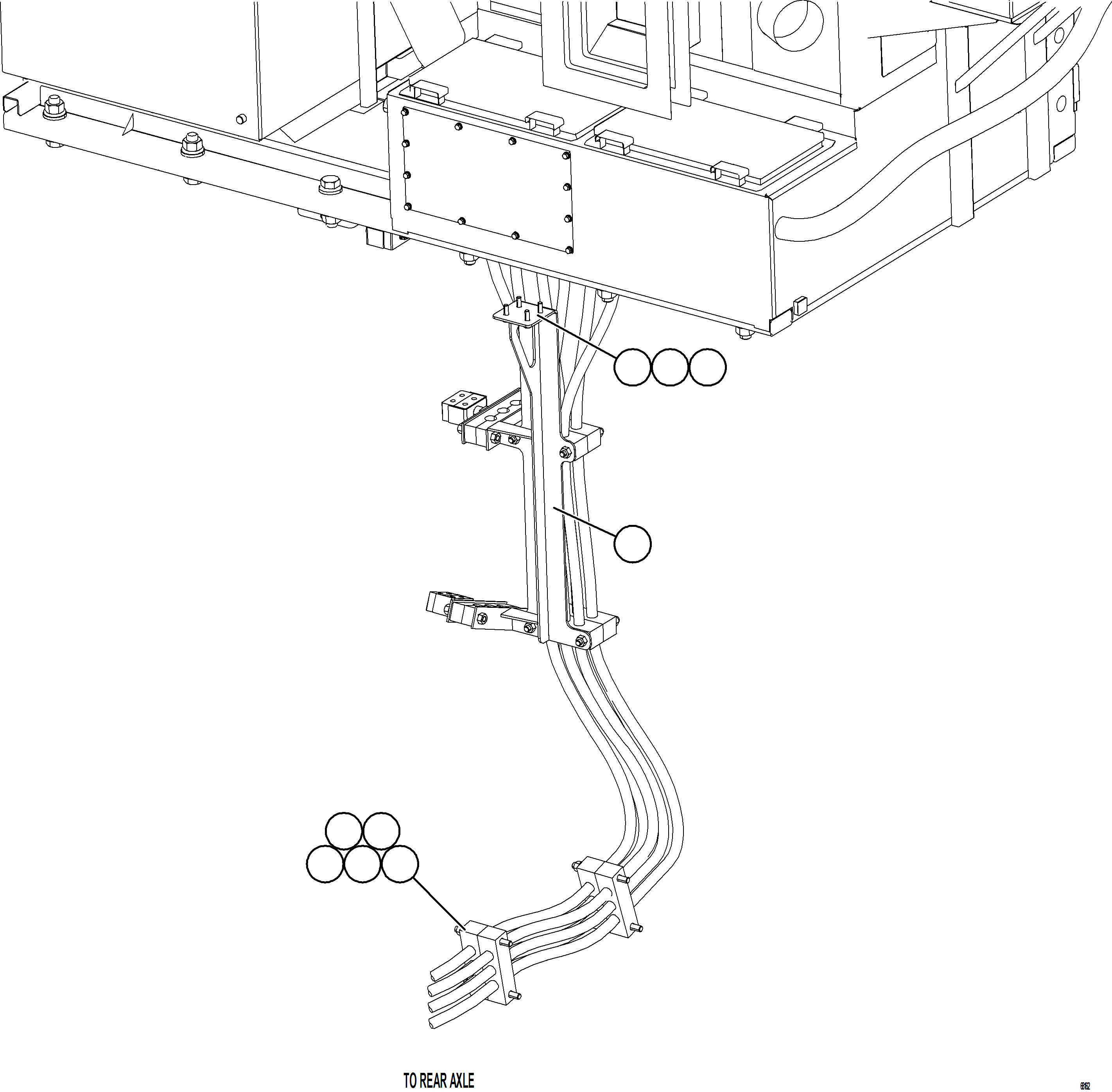
CONTROL CABINET EXTERNAL WIRING - WHEEL MOTOR 2/2(244 : 68162)
Item
PartNo
Description
Qty
Options
Ref
Alt
?
58F-06-10520
CLAMP, CABLE
22
?
MM0464
FLAT WASHER - M16
21
?
MM0474
LOCKWASHER - M16
21
?
MM0181
NUT - M16 X 2.00
21
?
EC1090
STUD, THREADED
22
?
58F-81-00101
BRACKET, MOUNTING
1
?
MM0462
FLAT WASHER - M12
4
?
MM0620
CAPSCREW - M12 X 1.75 X 40
4
?
MM0472
LOCKWASHER - M12
4
?
?
?
?
?
?
?
?
?