Komatsu Parts Catalogs

Title Page Reference
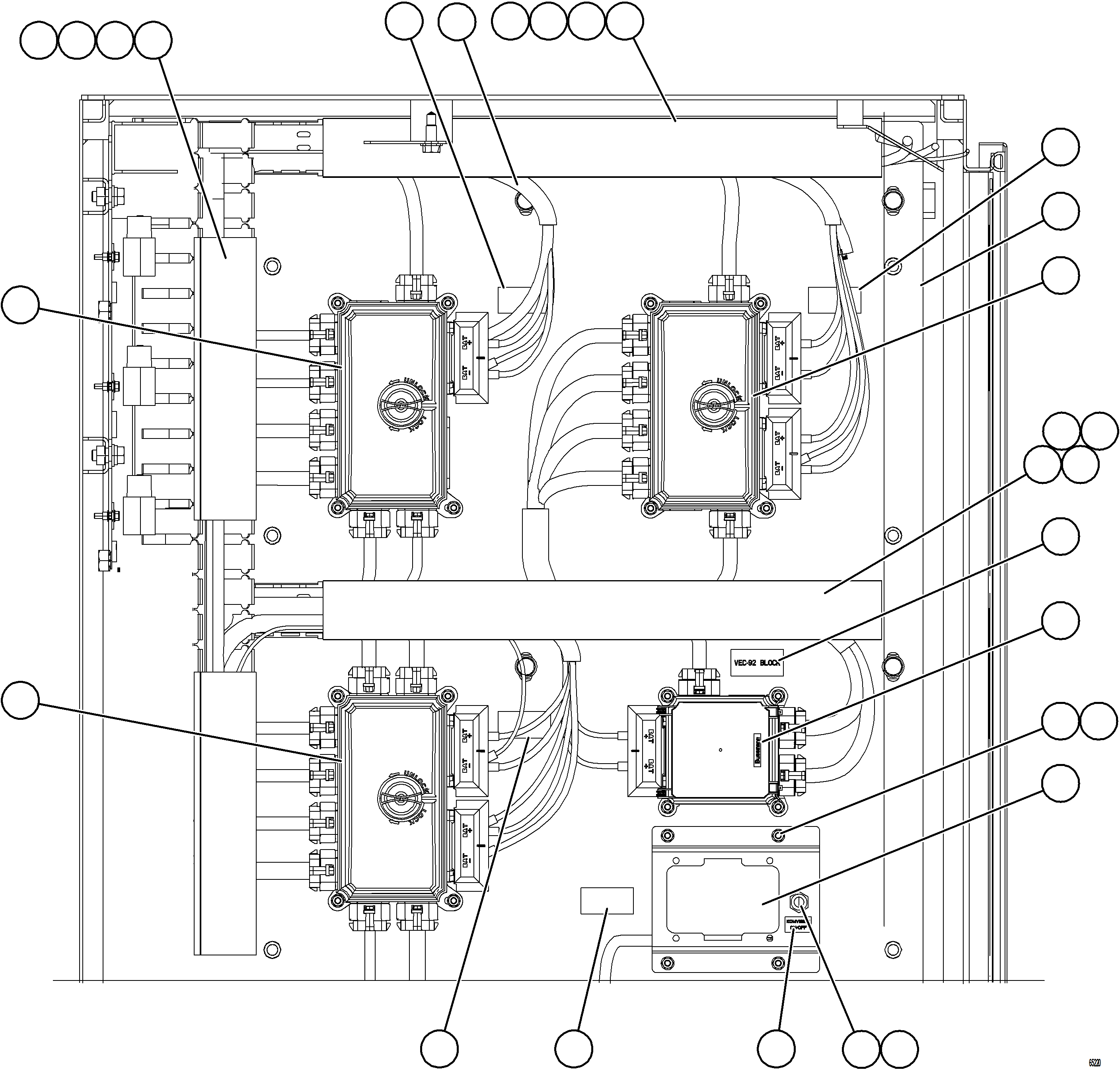
VEHICLE ELECTRICAL CENTER VEC-90 58E-06-20051 212 43541
VEHICLE ELECTRICAL CENTER VEC-89 58E-06-02043 210 68029
VEHICLE ELECTRICAL CENTER VEC-92 58E-06-09621 216 68921
VEHICLE ELECTRICAL CENTER VEC-91 58E-06-20062 214 69807






















Item PartNo Description Qty Options Ref Alt
? 58E-06-18323 PLATE, MOUNTING 1
? 58E-06-18480 COVER, WIRE 2
? 58E-06-18390 DUCT, WIRE 2
? 58E-06-10360 SCREW, FLANGE - #10 - 24NC X 3/4" 13
? 58E-06-10350 NUT, RIBBED - #10 - 24NC 13
? MM0176 NUT - M6 X 1.00 20
? PB3324 BOOT, SWITCH 1
? 58E-06-04913 HARNESS, WIRING - AUX BOX INTERNAL 1
? WB4006 NAME PLATE - VEC-90 BLOCK 1
? WB4007 NAME PLATE - VEC-91 BLOCK 1
? WB4005 NAME PLATE - VEC-89 BLOCK 1
? 58E-06-20790 NAME PLATE - VEC-92 BLOCK 1
? WB4008 NAME PLATE - RTMR1 BLOCK 1
? 58E-06-02043 VEHICLE ELECTRICAL CENTER, VEC-89 (SEE INDEX) 1 68029
? 58E-06-20051 VEHICLE ELECTRICAL CENTER, VEC-90 (SEE INDEX) 1 43541
? 58E-06-20062 VEHICLE ELECTRICAL CENTER, VEC-91 (SEE INDEX) 1 69807
? 58E-06-09621 VEHICLE ELECTRICAL CENTER, VEC-92 (SEE INDEX) 1 68921
? 58E-06-12520 BRACKET 1
? 58E-06-07860 NAME PLATE - KOMVISION SWITCH 1
? 1258403H1 SWITCH, TOGGLE 1
? MM0459 FLAT WASHER - M6 20

Dump Trucks Komatsu / AFE NEW / AFE78-AY 930E-5 S/N A40170  THEISS(afe78-ay) / AUXILIARY CONTROL CABINET - RH WALL    1/2(206 : 65220)
?
?
?
?
?
?
?
?
?
?
?
?
?
?
?
?
?
?
?
?
?
?
?
?
?
?
?
?
?