Komatsu Parts Catalogs














Item PartNo Description Qty Options Ref Alt
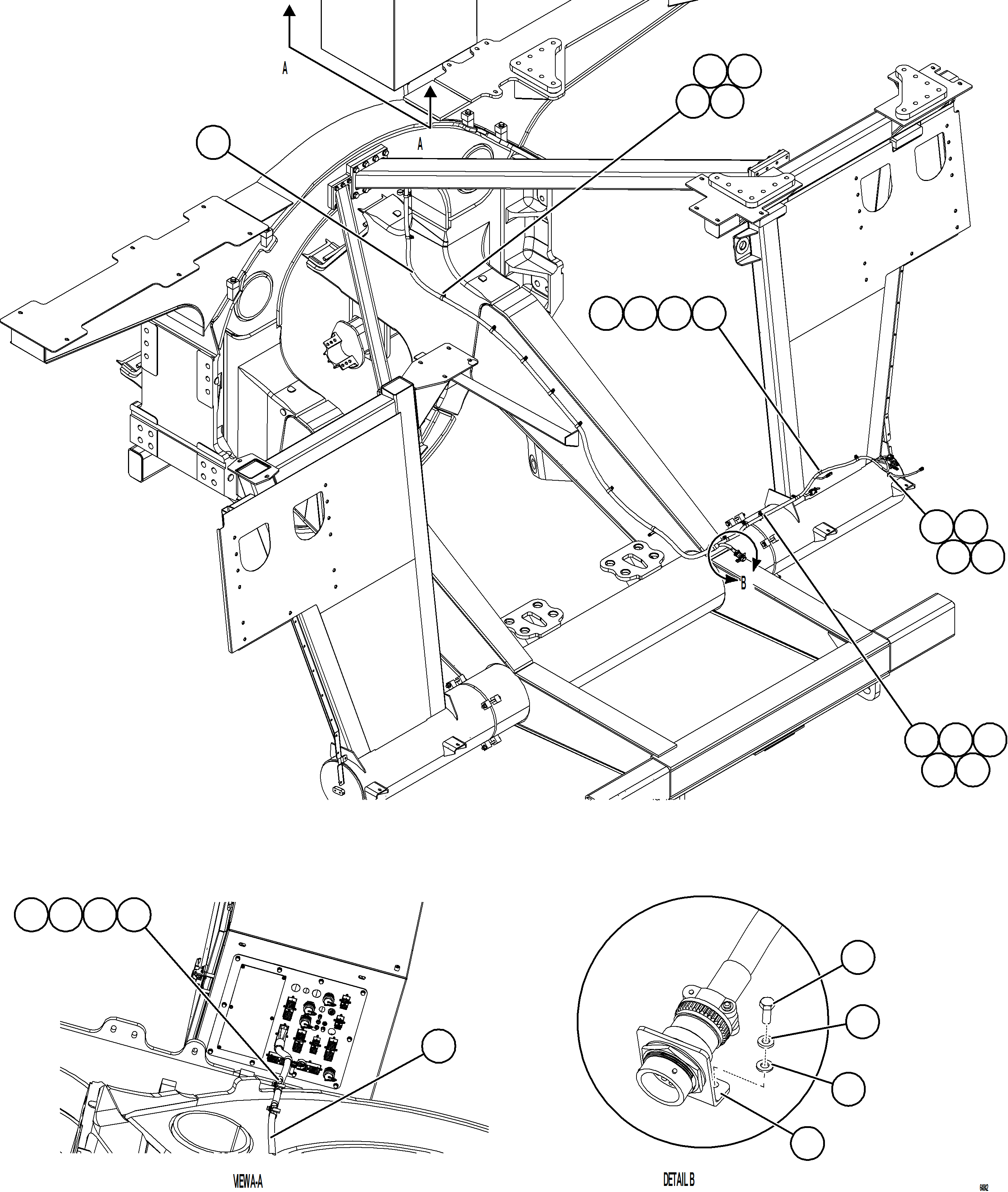
? 58F-06-02253 HARNESS, WIRING - LH FRONT FRAME RAIL 1
? WB3096 CLAMP, CUSHIONED - 1 1/4" 9
? WB3855 CLAMP, CUSHIONED - 13/16" 4
? WB1300 CLAMP, CUSHIONED - 5/8" 2
? 58D-90-00700 CLAMP, CUSHIONED - 7/16" 2
? MM0178 NUT - M10 X 1.50 14
? MM0471 LOCKWASHER - M10 14
? MM0461 FLAT WASHER - M10 14
? EK9883 SPACER 5
? 58F-06-00890 BRACKET 1
? MM0581 CAPSCREW - M6 X 1.00 X 16 2
? MM0469 LOCKWASHER - M6 2
? MM0459 FLAT WASHER - M6 2

Dump Trucks Komatsu / AFE NEW / AFE78-AP 930E-5 S/N A40105 - A40106  THEISS(afe78-ap) / LEFT FRONT FRAME RAIL HARNESS(186 : 64842)
?
?
?
?
?
?
?
?
?
?
?
?
?
?
?
?
?
?
?
?
?
?
?
?
?
?
?