k-part.com
Вход
Komatsu Parts Catalogs
Корень
Dump Trucks Komatsu
AFE NEW
AFE73-X 980E-4 S/N A40178 - A40180 BUENAVISTA(afe73-x)
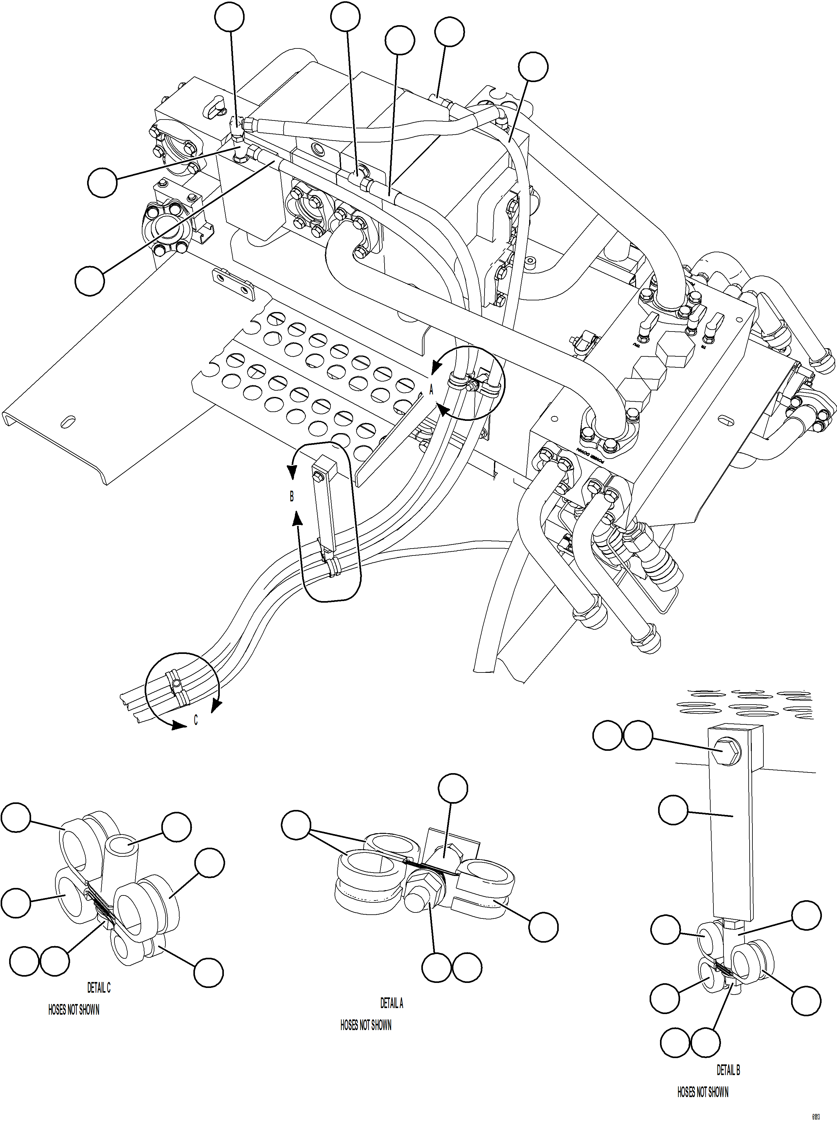
PUMP MODULE - HOIST PILOT PIPING(504 : 61813)
Item
PartNo
Description
Qty
Options
Ref
Alt
?
WB0508
FITTING, ELBOW - 90 DEG
2
?
58B-60-02560
HOSE
1
?
58B-60-02580
HOSE
1
?
MM0461
FLAT WASHER - M10
4
?
MM0605
CAPSCREW - M10 X 1.50 X 25
1
?
EK9920
BRACKET
1
?
WB3092
CLAMP, CUSHIONED - 7/8"
9
?
WB3097
CLAMP, CUSHIONED - 1/2"
2
?
TY8375
SPACER
4
?
MM0178
NUT - M10 X 1.50
3
?
58B-60-50300
HOSE
1
?
WB0557
FITTING, TEE
1
?
WB0375
FITTING, ELBOW - 90 DEG
1
?
?
?
?
?
?
?
?
?
?
?
?
?
?
?
?
?
?
?
?
?
?
?
?
?
?
?
?