|
Item |
PartNo |
Description |
Qty |
Options |
Ref |
Alt |
|
? |
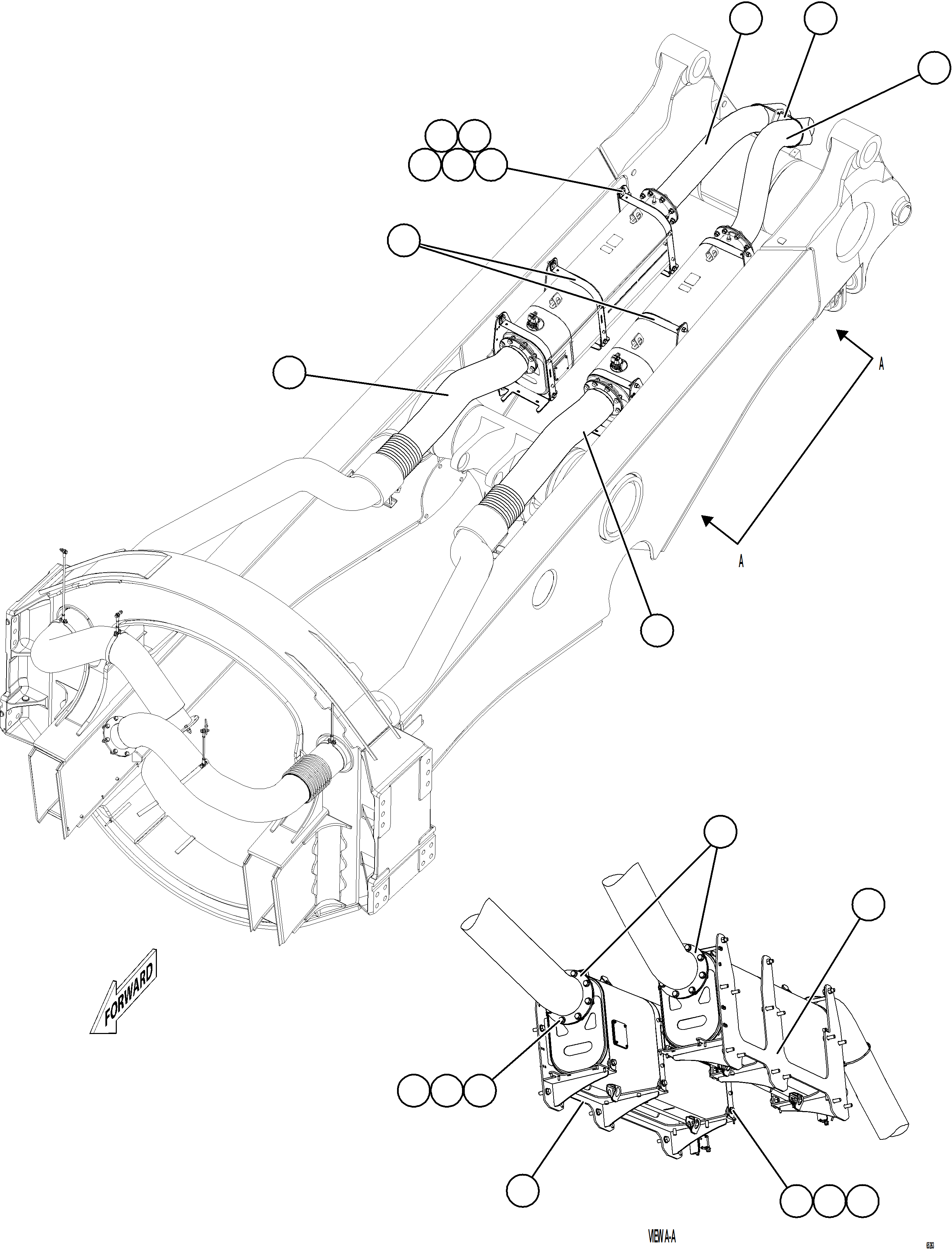
58E-02-03252 |
TUBE, EXHAUST |
1 |
|
|
|
|
? |
58E-02-03272 |
TUBE, EXHAUST |
1 |
|
|
|
|
? |
58D-02-10400 |
BRACKET, LH |
1 |
|
|
|
|
? |
58D-02-10600 |
BRACKET, RH |
1 |
|
|
|
|
? |
58D-02-10911 |
PLATE, BENT |
6 |
|
|
|
|
? |
58E-02-01470 |
SHIM, 3MM |
12 |
|
|
|
|
? |
58E-02-01460 |
SHIM, 2MM |
6 |
|
|
|
|
? |
58E-09-30000 |
FLAT WASHER, HARDENED - M20 |
100 |
|
|
|
|
? |
58E-09-00300 |
CAPSCREW - M20 X 2.50 X 60 |
62 |
|
|
|
|
? |
58C-09-10020 |
NUT - M20 X 2.50 |
32 |
|
|
|
|
? |
58E-02-02850 |
TUBE, EXHAUST |
1 |
|
|
|
|
? |
58E-02-02870 |
TUBE, EXHAUST |
1 |
|
|
|
|
? |
VW7331 |
CLAMP ASSEMBLY |
2 |
|
|
|
|
? |
TC1231 |
• LOCKWASHER - 3/8" |
4 |
|
|
|
|
? |
TC1232 |
• FLAT WASHER - 3/8" |
4 |
|
|
|
|
? |
TC1233 |
• NUT - 3/8" - 16NC |
4 |
|
|
|
|
? |
VW7334 |
• CLAMP |
2 |
|
|
|
|
? |
VW7335 |
• U-BOLT - 3/8" - 16NC |
2 |
|
|
|
|
? |
58B-09-00170 |
CAPSCREW - M20 X 2.50 X 40 |
6 |
|
|
|
|
? |
58E-02-00950 |
GASKET |
2 |
|
|
|