|
Item |
PartNo |
Description |
Qty |
Options |
Ref |
Alt |
|
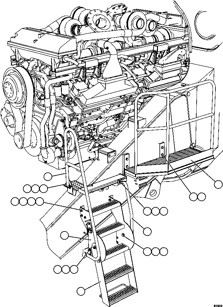
? |
EM1328 |
LADDER, ACCESS - L.H. SIDE |
1 |
|
|
|
|
? |
EM1331 |
LADDER, ACCESS - R.H. SIDE |
1 |
|
|
|
|
? |
VN9952 |
LOCKNUT - 5/8" - 11NC |
4 |
|
|
|
|
? |
WA4863 |
FLAT WASHER - 5/8" |
8 |
|
|
|
|
? |
TV1748 |
CAPSCREW - 5/8" - 11NC X 1 1/2" |
4 |
|
|
|
|
? |
XB3783 |
HANDRAIL - L.H. SIDE |
1 |
|
|
|
|
? |
XB3784 |
HANDRAIL - R.H. SIDE |
1 |
|
|
|
|
? |
EM4706 |
HANDRAIL - L.H. SIDE |
1 |
|
|
|
|
? |
EM4704 |
HANDRAIL - R.H. SIDE |
1 |
|
|
|
|
? |
MM0619 |
CAPSCREW - M12 X 1.75 X 35 |
12 |
|
|
|
|
? |
MM0694 |
LOCKNUT - M12 X 1.75 |
12 |
|
|
|
|
? |
MM0462 |
FLAT WASHER - M12 |
28 |
|
|
|
|
? |
MM0618 |
CAPSCREW - M12 X 1.75 X 30 |
4 |
|
|
|
|
? |
MM0472 |
LOCKWASHER - M12 |
16 |
|
|
|
|
? |
MM0714 |
FLAT WASHER - M12 (HARDENED) |
24 |
|
|
|
|
? |
MM0620 |
CAPSCREW - M12 X 1.75 X 40 |
12 |
|
|
|
|
? |
MM0179 |
NUT - M12 X 1.75 |
12 |
|
|
|
|
? |
EM5084 |
STEPS, ENGINE EGRESS - L.H. SIDE |
1 |
|
|
|
|
? |
EM5085 |
STEPS, ENGINE EGRESS - R.H. SIDE |
1 |
|
|
|
|
? |
EM9115 |
PLATFORM, ENGINE - L.H. SIDE |
1 |
|
|
|
|
? |
EM9114 |
PLATFORM, ENGINE - R.H. SIDE |
1 |
|
|
|
|
? |
MM0029 |
CAPSCREW - M16 X 2.00 X 30 |
8 |
|
|
|
|
? |
MM0464 |
FLAT WASHER - M16 |
8 |
|
|
|