|
Item |
PartNo |
Description |
Qty |
Options |
Ref |
Alt |
|
? |
|
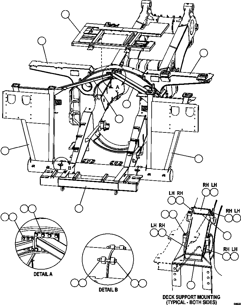
FRAME, MAIN (1) |
1 |
|
|
|
|
? |
|
UPRIGHT - LH (1) |
1 |
|
|
|
|
? |
|
UPRIGHT - RH (1) |
1 |
|
|
|
|
? |
MM0465 |
FLAT WASHER - M20 |
16 |
|
|
|
|
? |
MM0168 |
CAPSCREW - M20 X 2.50 X 180 |
8 |
|
|
|
|
? |
MM0182 |
NUT - M20 X 2.50 |
8 |
|
|
|
|
? |
|
TUBE, ROPS - LH (1) |
1 |
|
|
|
|
? |
|
TUBE, ROPS - RH (1) |
1 |
|
|
|
|
? |
01643-32460 |
FLAT WASHER - M24 (HARDENED) |
16 |
|
|
|
|
? |
MM0058 |
CAPSCREW - M24 X 3.00 X 60 |
16 |
|
|
|
|
? |
EL1255 |
SUPPORT, DECK - RH |
1 |
|
|
|
|
? |
01643-31645 |
FLAT WASHER - M16 (HARDENED) |
12 |
|
|
|
|
? |
MM0071 |
CAPSCREW - M16 X 2.00 X 45 |
12 |
|
|
|
|
? |
EK3908 |
BACKER |
2 |
|
|
|
|
? |
EK3905 |
BACKER, VERTICAL - RH |
2 |
|
|
|
|
? |
EK3904 |
PLATE, END CAP - RH |
1 |
|
|
|
|
? |
58F-46-40012 |
SUPPORT, DECK - CENTER |
1 |
|
|
|
|
? |
01643-32060 |
FLAT WASHER - M20 (HARDENED) |
8 |
|
|
|
|
? |
MM0109 |
CAPSCREW - M20 X 2.50 X 90 |
8 |
|
|
|
|
? |
EL1256 |
SUPPORT, DECK - LH |
1 |
|
|
|
|
? |
EK3910 |
BACKER, VERTICAL - LH |
2 |
|
|
|
|
? |
EK3914 |
BACKER - LH |
2 |
|
|
|
|
? |
EK3909 |
PLATE, END CAP - LH |
1 |
|
|
|
|
? |
ED4792 |
BACKER |
2 |
|
|
|
|
? |
EK3915 |
BACKER - RH |
2 |
|
|
|
|
? |
|
NOTE: (1) ORDER FROM FACTORY. |
|
|
|
|