Komatsu Parts Catalogs


















Item PartNo Description Qty Options Ref Alt
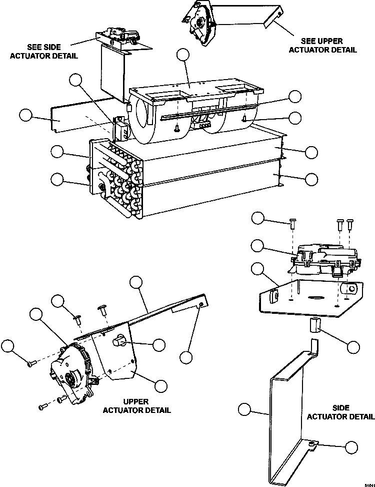
? EM0053 BLOWER ASSEMBLY 1
? EM0094 BLOWER RETAINER 1
? EM0067 SCREW 2
? EM0052 HEATER CORE 1
? EM0051 EVAPORATOR CORE 1
? EM0083 SCREW 6
? EM0060 ACTUATOR 2
? EM0075 BRACKET 1
? EM0089 DRIVE ADAPTER 2
? EM0086 PIVOT BUSHING 2
? EM0091 DAMPER DOOR (SIDE) 1
? EM0073 BRACKET 1
? EM0090 DAMPER DOOR (UP) 1
? EM0072 FOAM 2
? EM0071 FOAM 1
? 58F-98-00050 THERMOSTAT 1
? 58D-98-00010 SCREW 2

Dump Trucks Komatsu / AFE NEW / AFE59-FP 930E-4 S/N A31735 & A31750 - A31751  LOS PELAMBRES(afe59-fp) / HEATER/AIR CONDITIONER ASSEMBLY  2/2  58F-07-00030(250 : 51011)
?
?
?
?
?
?
?
?
?
?
?
?
?
?
?
?
?
?
?
?
?
?