|
Item |
PartNo |
Description |
Qty |
Options |
Ref |
Alt |
|
? |
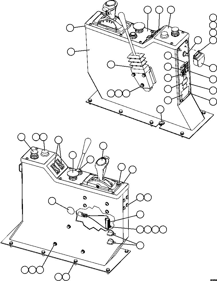
EM5646 |
CONSOLE, CENTER |
1 |
|
|
|
|
? |
EL4131 |
COVER, MOLDED (SHIFT CONSOLE) |
1 |
|
|
|
|
? |
EL2721 |
• DECAL, SHIFT CONSOLE - FORWARD |
1 |
|
|
|
|
? |
EL2723 |
• DECAL, SHIFT CONSOLE - MIDDLE |
1 |
|
|
|
|
? |
EM2711 |
• DECAL, SHIFT CONSOLE - REAR |
1 |
|
|
|
|
? |
PB8624 |
SWITCH, PUSH BUTTON (DATA STORE) |
1 |
|
|
|
|
? |
SM0628 |
COVER |
1 |
|
|
|
|
? |
HE2467 |
MACHINE SCREW - #6 - 32NC X 1/2" |
2 |
|
|
|
|
? |
HE5125 |
FLAT WASHER - #6 |
2 |
|
|
|
|
? |
DF4944 |
LOCKWASHER - #6 |
2 |
|
|
|
|
? |
DD2468 |
NUT - #6 - 32NC |
2 |
|
|
|
|
? |
SM4443 |
FLASHER ASSEMBLY - CLEAR LENS |
4 |
|
|
|
|
? |
SP8443 |
LIGHT BULB |
4 |
|
|
|
|
? |
SM5073 |
DECAL, SERVICE ENGINE |
1 |
|
|
|
|
? |
EL4153 |
DECAL, VHMS SNAPSHOT IN PROGRESS |
1 |
|
|
|
|
? |
SM5104 |
DECAL, LINK ENERGIZED |
1 |
|
|
|
|
? |
XB8639 |
PLATE, DIAGNOSTIC |
1 |
|
|
|
|
? |
SM0926 |
SCREW - M6 X 1.00 |
4 |
|
|
|
|
? |
TF7982 |
GROMMET, RUBBER |
1 |
|
|
|
|
? |
WA3597 |
CAPSCREW - 5/16" - 18NC X 2 1/4" |
3 |
|
|
|
|
? |
SC4174 |
LOCKWASHER - 5/16" |
3 |
|
|
|
|
? |
TV0177 |
FLAT WASHER - 5/16" |
3 |
|
|
|
|
? |
PB6893 |
VALVE, CONTROL |
1 |
|
|
|
|
? |
PC2873 |
LEVER, GEAR SELECTOR |
1 |
|
|
|
|
? |
31127R1 |
CAPSCREW - M6 X 1.00 X 12 (UNDER MOLDED COVER) |
4 |
|
|
|
|
? |
WA4605 |
SCREW, PHILLIPS - #10 - 24NC X 1/2" |
8 |
|
|
|
|
? |
SM5115 |
CAPSCREW, INTERNAL HEX - M8 X 1.25 |
8 |
|
|
|
|
? |
MM0712 |
FLAT WASHER - M8 |
8 |
|
|
|
|
? |
EM5648 |
RESISTOR |
1 |
|
|
|
|
? |
VG1621 |
MACHINE SCREW - #4 - 40NC X 5/8" |
2 |
|
|
|
|
? |
VD7129 |
LOCKWASHER - #4 |
2 |
|
|
|
|
? |
VN9762 |
FLAT WASHER - #4 |
2 |
|
|
|
|
? |
VN9708 |
NUT - #4 - 40NC |
2 |
|
|
|
|
? |
PC1374 |
OUTLET, AUXILIARY POWER |
2 |
|
|
|
|
? |
MM0593 |
CAPSCREW - M8 X 1.25 X 20 |
8 |
|
|
|
|
? |
MM0470 |
LOCKWASHER - M8 |
8 |
|
|
|
|
? |
TV3555 |
PLUG, BUTTON - 1 3/8" |
1 |
|
|
|
|
? |
58B-58-40000 |
BUTTON, PUSH-PULL (RETARD SPEED CONTROL) |
1 |
|
|
|
|
? |
XC2455 |
POTENTIOMETER (RETARD SPEED CONTROL) |
1 |
|
|
|
|
? |
PB5957 |
KNOB |
1 |
|
|
|
|
? |
PC0490 |
SWITCH, ROCKER (ELECTRIC WINDOW) |
2 |
|
|
|
|
? |
PC1375 |
SWITCH, PUSH - PULL (ENGINE SHUTDOWN) |
1 |
|
|
|
|
? |
PC1377 |
BUTTON, PUSH (OVERRIDE/FAULT RESET) |
1 |
|
|
|
|
? |
WB3548 |
NAME PLATE - FIRE SUPP |
1 |
|
|
|
|
? |
WB3549 |
NAME PLATE - 2-WAY COM |
1 |
|
|
|
|
? |
MM0004 |
CAPSCREW - M12 X 1.75 X 20 |
3 |
|
|
|
|
? |
MM0462 |
FLAT WASHER - M12 |
3 |
|
|
|
|
? |
MM0179 |
NUT - M12 X 1.75 |
3 |
|
|
|