|
Item |
PartNo |
Description |
Qty |
Options |
Ref |
Alt |
|
? |
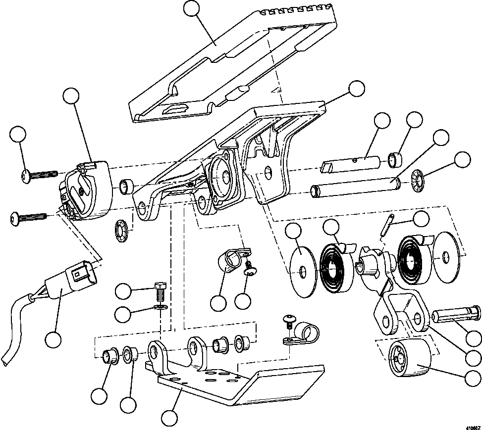
BF1493 |
PEDAL (4) |
1 |
|
|
|
|
? |
VJ4023 |
RING, RETAINING (1)/(2)/(4) |
3 |
|
|
|
|
? |
VE3517 |
ROLLER (2)/(4) |
1 |
|
|
|
|
? |
BF1494 |
LEVER, TREADLE (4) |
1 |
|
|
|
|
? |
VE7636 |
HARNESS, WIRE (3)/(4) |
1 |
|
|
|
|
? |
VE7634 |
CLAMP, WIRE (4) |
2 |
|
|
|
|
? |
VE4213 |
SCREW, PAN HEAD (3)/(4) |
2 |
|
|
|
|
? |
TD0794 |
CAPSCREW - 5/16" - 18NC X 3/4" (6) |
4 |
|
|
|
|
? |
BF1495 |
COVER |
1 |
|
|
|
|
? |
|
PIN, TREADLE (1)/(4)/(5) |
1 |
|
|
|
|
? |
VE3504 |
BUSHING (1)/(4) |
2 |
|
|
|
|
? |
VE3510 |
BUSHING (1)/(4) |
2 |
|
|
|
|
? |
|
SENSOR (4)/(5) |
1 |
|
|
|
|
? |
VE7551 |
PIN (4) |
1 |
|
|
|
|
? |
01643-30823 |
FLAT WASHER - M8 (6) |
4 |
|
|
|
|
? |
|
SPRING (4)/(5) |
2 |
|
|
|
|
? |
BF1492 |
SHAFT, SENSOR (4) |
1 |
|
|
|
|
? |
VE7557 |
BUSHING (4) |
2 |
|
|
|
|
? |
BF1355 |
PLATE, BASE |
1 |
|
|
|
|
? |
VE7638 |
ROLLPIN (2)/(4) |
1 |
|
|
|
|
? |
VE7556 |
WASHER, THRUST (OUTER) (4) |
2 |
|
|
|
|
? |
VE3522 |
MACHINE SCREW (4) |
2 |
|
|
|
|
? |
VE7549 |
NOTE: (1) INCLUDED IN VE7549 TREADLE PIN KIT. |
|
|
|
|
|
? |
VE7561 |
(2) INCLUDED IN VE7561 ROLLER KIT. |
|
|
|
|
|
? |
BF1497 |
(3) INCLUDED IN BF1497 SENSOR KIT. |
|
|
|
|
|
? |
BF1498 |
(4) INCLUDED IN BF1498 UPPER SERVICE ASSM KIT. |
|
|
|
|
|
? |
|
(5) NOT SERVICED SEPARATELY. |
|
|
|
|
|
? |
|
(6) NOT INCLUDED IN ASSEMBLY. |
|
|
|
|