k-part.com
Вход
Komatsu Parts Catalogs
Корень
Dump Trucks Komatsu
AFE NEW
AFE59-FP 930E-4 S/N A31735 & A31750 - A31751 LOS PELAMBRES(afe59-fp)
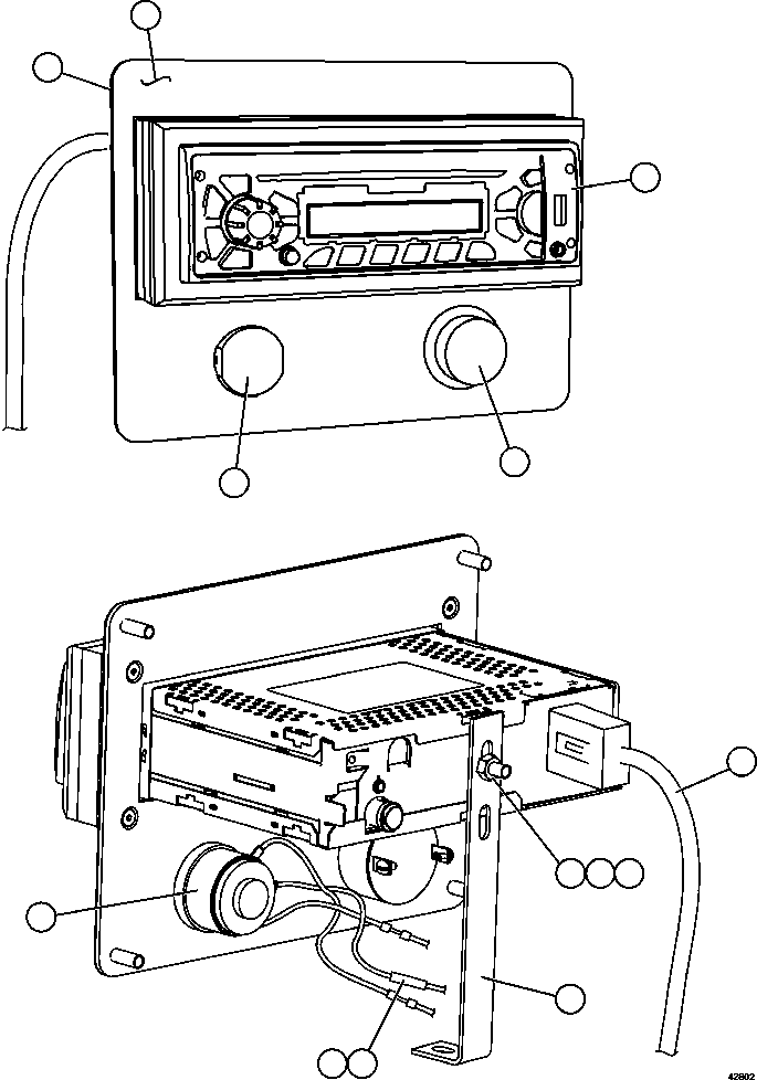
RADIO MODULE(204 : 42802)
Item
PartNo
Description
Qty
Options
Ref
Alt
?
SM2701
LEXAN OVERLAY
1
?
EL5798
MOUNT, RADIO
1
?
PC2886
RADIO
1
?
EJ1556
HARNESS, RADIO
1
?
EK4230
SUPPORT
1
?
PB1951
ALARM, AUDIBLE
1
?
EK7524
POTENTIOMETER (DIMMER CONTROL)
1
?
PB5957
KNOB
1
?
SF9896
KNIFE, DISCONNECT
1
?
DL4172
SLEEVE, INSULATING
1
?
WB3103
LOCKWASHER - M5
1
?
WB3104
FLAT WASHER - M5
1
?
MM0373
NUT - M5 X 0.8
1
?
?
?
?
?
?
?
?
?
?
?
?
?