|
Item |
PartNo |
Description |
Qty |
Options |
Ref |
Alt |
|
? |
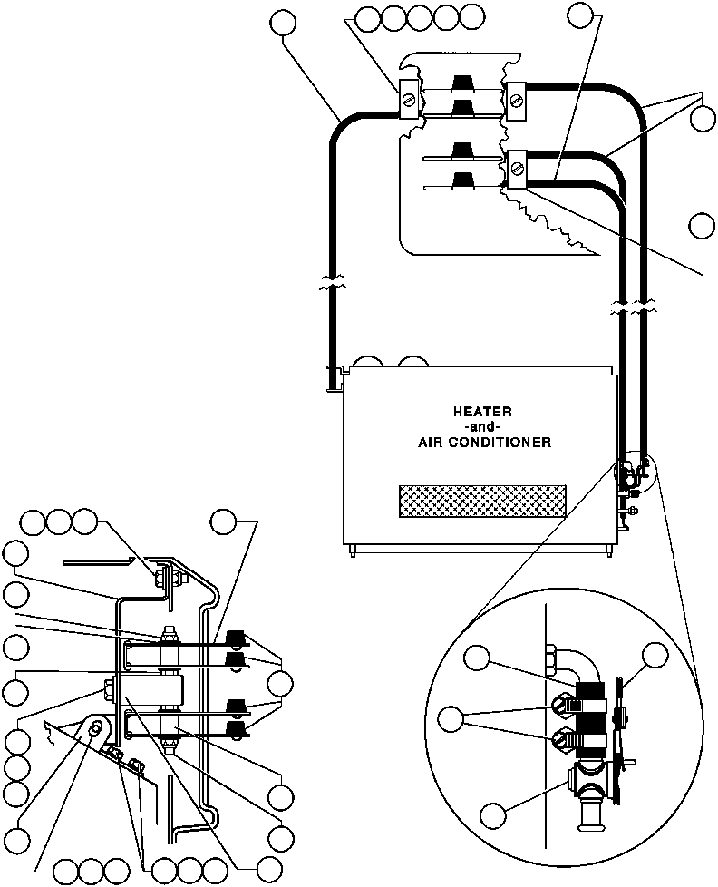
C5746 |
• CAPSCREW - 1/4" - 20NC X 3/4" |
4 |
|
|
|
|
? |
TR1307 |
• • FLAT WASHER - 1/4" |
12 |
|
|
|
|
? |
VN9751 |
• • LOCKNUT, NYLON - 1/4" |
9 |
|
|
|
|
? |
JG6867 |
• • BLOCK |
1 |
|
|
|
|
? |
JG6863 |
• • MOUNTING STR |
1 |
|
|
|
|
? |
SF9144 |
• • JAM NUT - 1/4" - 20NC |
3 |
|
|
|
|
? |
JG6866 |
• • BRACKET, MOUNTING |
1 |
|
|
|
|
? |
C3145 |
• • CAPSCREW - 1/4" - 20NC X 5/8" |
2 |
|
|
|
|
? |
CC6807 |
• • LOCKWASHER - 1/4" (INTERNAL TOOTH) |
4 |
|
|
|
|
? |
VY4365 |
• • SCREW, SELF-TAPPING - 1/4" - 20NC X 1/2" |
2 |
|
|
|
|
? |
VS5359 |
• • SPACER (1) |
1 |
|
|
|
|
? |
VS5360 |
• • HANDLE, CONTROL LEVER (1) |
3 |
|
|
|
|
? |
VS5370 |
• • CABLE, CONTROL (HEAT/DEFROST) |
2 |
|
|
|
|
? |
JG6777 |
• • CABLE, CONTROL (FRESH AIR) |
1 |
|
|
|
|
? |
VS7171 |
• • CABLE, CONTROL(AIR CONDITIONER) |
1 |
|
|
|
|
? |
PB4978 |
• • VALVE, CONTROL |
1 |
|
|
|
|
? |
TN9903 |
• • HOSE |
1 |
|
|
|
|
? |
HC0908 |
• • CLAMP, HOSE |
2 |
|
|
|
|
? |
WA3697 |
• • CLAMP, CABLE (1) |
3 |
|
|
|
|
? |
VS5358 |
• • KNOB, CONTROL (1) |
3 |
|
|
|
|
? |
PB5727 |
• • KNOB |
3 |
|
|
|
|
? |
WA4198 |
• • MACHINE SCREW |
3 |
|
|
|
|
? |
C1602 |
• • CAPSCREW - 3/8" - 16NC X 1" |
2 |
|
|
|
|
? |
H5304 |
• • LOCKWASHER - 3/8" |
2 |
|
|
|
|
? |
WA0720 |
• • FLAT WASHER - 3/8" |
2 |
|
|
|
|
? |
JG6868 |
• • ROD,THREADED |
1 |
|
|
|
|
? |
C5780 |
• • NUT - 1/4" - 20NC |
2 |
|
|
|
|
? |
|
• • NOTE: (1) QUANTITIES SHOWN ARE FOR HEATER APPLICATION. |
65535 |
|
|
|
|
? |
|
• • IF AIR CONDITIONER IS INCLUDED ADD ONE EACH. |
65535 |
|
|
|