|
Item |
PartNo |
Description |
Qty |
Options |
Ref |
Alt |
|
? |
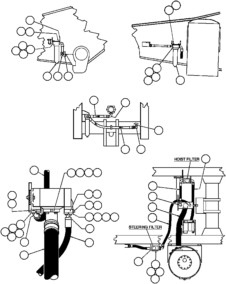
HA6328 |
• HOSE |
1 |
|
|
|
|
? |
TF8090 |
• • CLAMP, HALF |
10 |
|
|
|
|
? |
VG9095 |
• • SEAL, O-RING |
6 |
|
|
|
|
? |
C1614 |
• • CAPSCREW - 1/2" - 13NC X 1 1/2" |
16 |
|
|
|
|
? |
C1540 |
• • LOCKWASHER - 1/2" |
20 |
|
|
|
|
? |
TY9633 |
• • BRACKET |
1 |
|
|
|
|
? |
HA6344 |
• • HOSE |
1 |
|
|
|
|
? |
TZ5049 |
• • SUCTION LINE ASSM |
1 |
|
|
|
|
? |
C5768 |
• • PLUG, PIPE |
1 |
|
|
|
|
? |
TZ2202 |
• • NIPPLE |
1 |
|
|
|
|
? |
VN7714 |
• • NIPPLE |
1 |
|
|
|
|
? |
WA4161 |
• • CLAMP |
4 |
|
|
|
|
? |
PB8142 |
• • PUMP, HOIST & STEERING (SEE INDEX) |
1 |
|
|
|
|
? |
HA6494 |
• • HOSE |
1 |
|
|
|
|
? |
VN7716 |
• • CLAMP, HALF |
2 |
|
|
|
|
? |
WA0245 |
• • O-RING |
1 |
|
|
|
|
? |
C1630 |
• • CAPSCREW - 5/8" - 11NC X 2" |
4 |
|
|
|
|
? |
C1541 |
• • LOCKWASHER - 5/8" |
4 |
|
|
|
|
? |
PB6528 |
• • COUPLING, DIAGNOSTIC |
2 |
|
|
|
|
? |
PB6041 |
• • CAP, DUST |
2 |
|
|
|
|
? |
TZ2213 |
• • FLANGE, ADAPTOR |
1 |
|
|
|
|
? |
VG9096 |
• • SEAL, O-RING |
2 |
|
|
|
|
? |
TF3237 |
• • CLAMP, HALF |
2 |
|
|
|
|
? |
E5340 |
• • CAPSCREW - 7/16" - 14NC X 2 1/2" |
4 |
|
|
|
|
? |
C5775 |
• • LOCKWASHER - 7/16" |
4 |
|
|
|
|
? |
WB0380 |
• • ELBOW - 90 DEG |
1 |
|
|
|
|
? |
WB0604 |
• • FITTING, STRAIGHT ADAPTOR |
1 |
|
|
|
|
? |
C1618 |
• • CAPSCREW - 1/2" - 13NC X 2 1/2" |
4 |
|
|
|
|
? |
WA3028 |
• • FITTING, ELBOW - 45 DEG |
1 |
|
|
|
|
? |
TZ8655 |
• • FLANGE, ADAPTOR |
1 |
|
|
|
|
? |
WA4853 |
• • ELBOW - 90 DEG |
1 |
|
|
|
|
? |
PB7056 |
• • HIGH PRESSURE FILTER ASSM |
2 |
|
|
|
|
? |
VE4205 |
• • HEAD ASSM |
2 |
|
|
|
|
? |
VE1750 |
• • KIT, SEAL |
2 |
|
|
|
|
? |
VE4206 |
• • INDICATOR, 24 VDC |
2 |
|
|
|
|
? |
VE3431 |
• • KIT, SEAL |
2 |
|
|
|
|
? |
VE4207 |
• • HOUSING |
2 |
|
|
|
|
? |
VE3434 |
• • PLUG |
2 |
|
|
|
|
? |
VE3435 |
• • O-RING |
2 |
|
|
|
|
? |
VE0731 |
• • ELEMENT - 7 MICRON |
2 |
|
|
|
|
? |
WA4713 |
• • CLAMP |
1 |
|
|
|
|
? |
C1603 |
• • CAPSCREW - 3/8" - 16NC X 1 1/4" |
8 |
|
|
|
|
? |
C1547 |
• • FLAT WASHER - 3/8" |
8 |
|
|
|
|
? |
TK8196 |
• • BRACKET |
1 |
|
|
|
|
? |
TZ3045 |
• • BRACKET |
1 |
|
|
|