Komatsu Parts Catalogs






















Item PartNo Description Qty Options Ref Alt
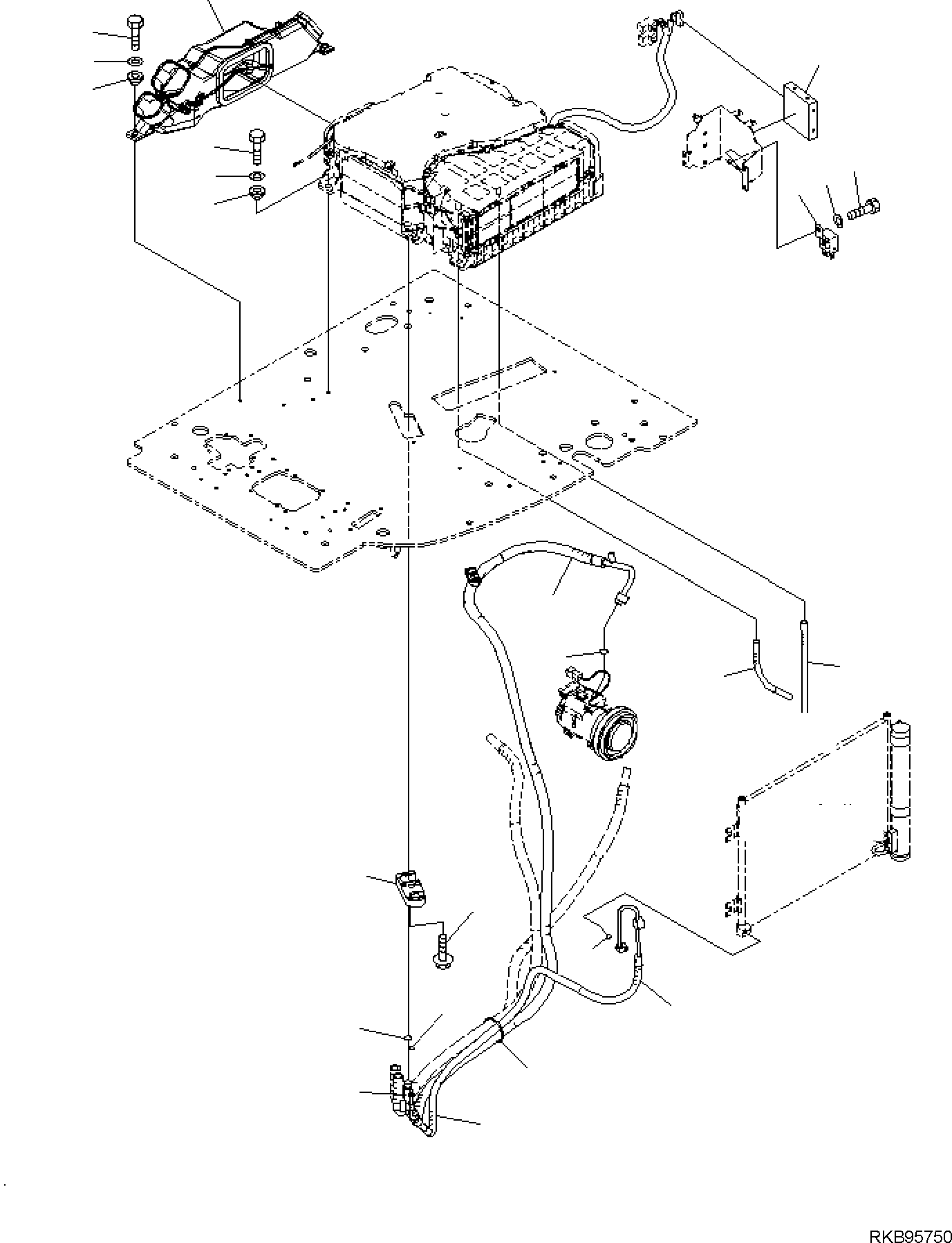
? 01010-80825 BOLT 5
SN: F40003-
? 01643-30823 WASHER 5
SN: F40003-
? 208-979-7540 COLLAR 5
SN: F40003-
? 22B-979-2781 DUCT 1
SN: F40003-
? 01010-80825 BOLT 2
SN: F40003-
? 01643-30823 WASHER 2
SN: F40003-
? 208-979-7540 COLLAR 2
SN: F40003-
? 2A5-979-1122 CONTROLLER 1
SN: F40003-
? 7861-74-5100 RELAY 1
SN: F40003-
? 01010-80616 BOLT 1
SN: F40003-
? 01643-30623 WASHER 1
SN: F40003-
? 208-979-7640 HOSE 1
SN: F40003-
? 22B-979-3880 HOSE 1
SN: F40003-
? 22B-979-3811 HOSE 1
SN: F40003-
A
? ND443440-0030 • SWITCH, PRESSURE 1
SN: F40003-
B
? 20Y-979-3150 • O-RING 2
SN: F40003-
? 22B-979-3822 HOSE 1
SN: F40003-
? 20Y-979-3130 • O-RING 2
SN: F40003-
? 208-979-7650 CONNECTOR 1
SN: F40003-
? 01435-40620 BOLT 1
SN: F40003-
? 08034-20536 BAND 1
SN: F40003-

Excavators Komatsu / PC138US-10 S/N F40003 AND UP(PC138U10) / FLOOR FRAME, WITH 2-PIECE BOOM, AIR CONDITIONER PIPING (1/2)(K1110-002022 : K1110-002022)
?
?
?
?
?
?
?
?
?
?
?
?
?
?
?
?
?
?
?
?
?
?
?
?