k-part.com
Вход
Komatsu Parts Catalogs
Корень
Excavators Komatsu
PC138US-10 S/N F40003 AND UP(PC138U10)
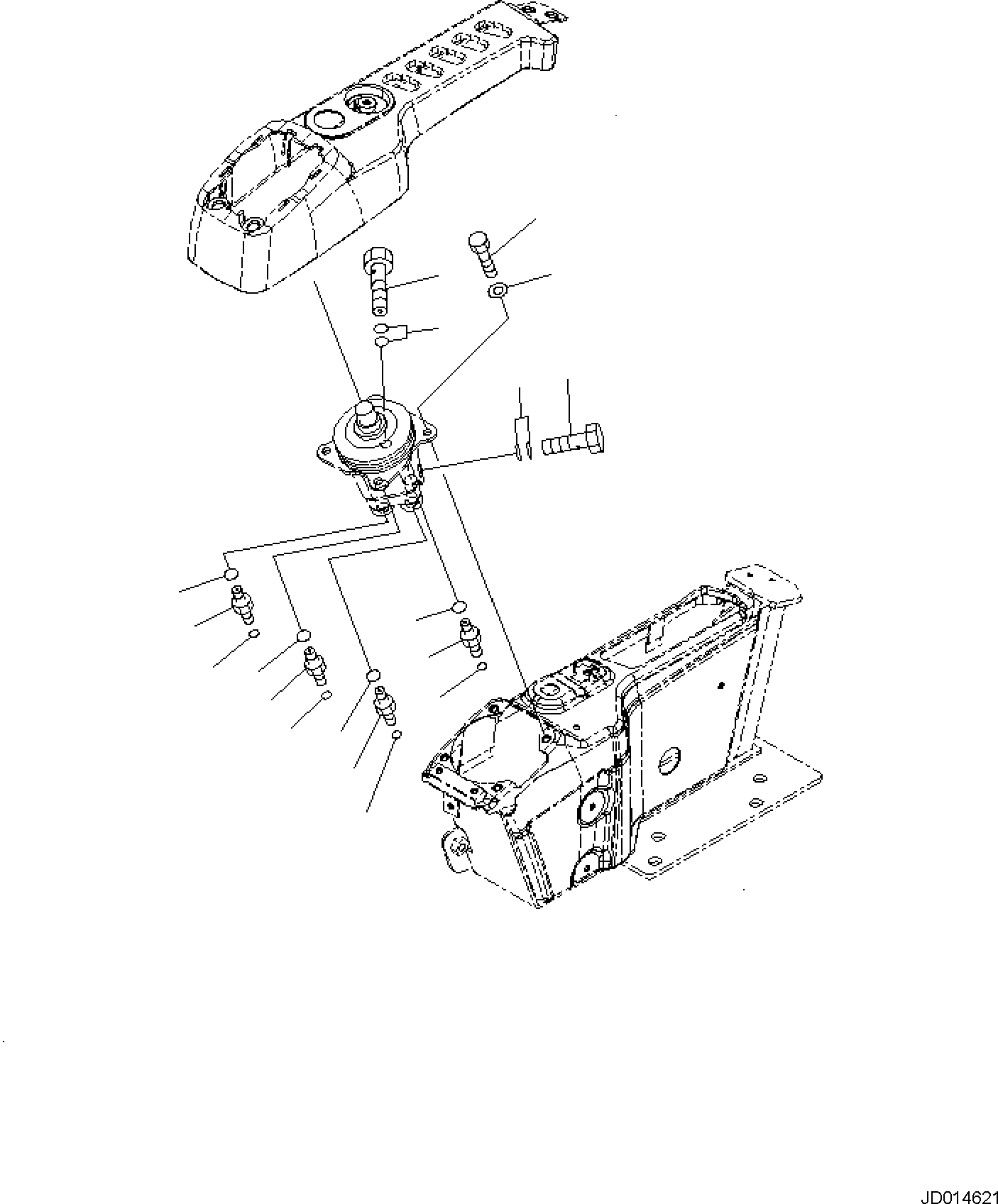
FLOOR FRAME, FLOOR, PPC VALVE, FOR WORK EQUIPMENT, RHS(K1110-001018 : K1110-001018)
Item
PartNo
Description
Qty
Options
Ref
Alt
?
01010-80820
BOLT
4
SN: F40003-
?
01643-30823
WASHER
4
SN: F40003-
?
20Y-62-18910
PLUG
1
SN: F40003-
?
07000-12018
O-RING
2
SN: F40003-
?
20Y-62-18890
BOLT, JOINT
1
SN: F40003-
?
07000-12015
O-RING
2
SN: F40003-
?
02781-0021D
UNION
4
SN: F40003-
?
07002-11423
O-RING
4
SN: F40003-
?
02896-11008
O-RING
4
SN: F40003-
?
?
?
?
?
?
?
?
?
?
?
?
?
?
?
?
?
?