k-part.com
Вход
Komatsu Parts Catalogs
Корень
Excavators Komatsu
PC138US-10 S/N F40003 AND UP(PC138U10)
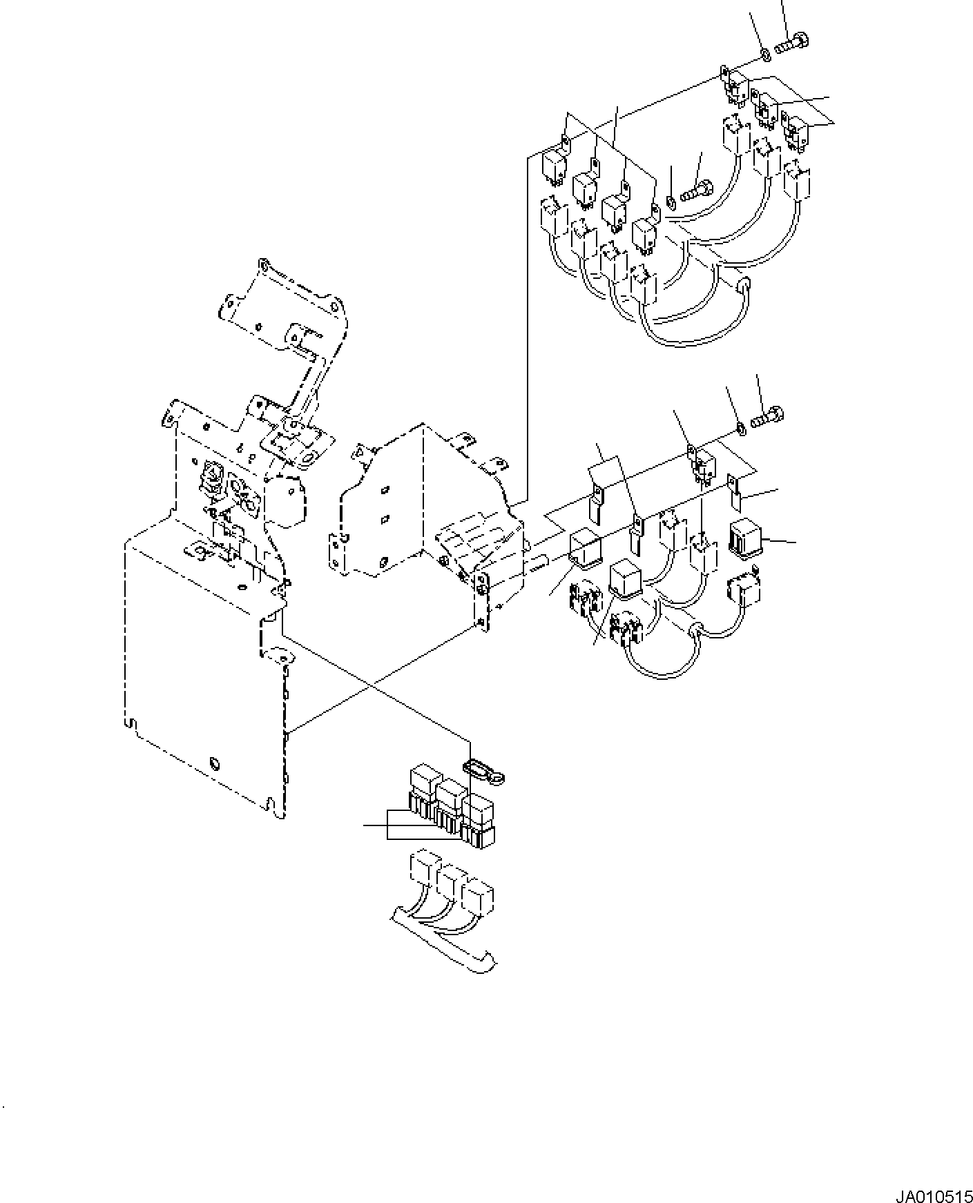
FLOOR FRAME, RELAY(K1110-001008 : K1110-001008)
Item
PartNo
Description
Qty
Options
Ref
Alt
?
7861-74-5100
RELAY
8
SN: F40003-
?
01010-80616
BOLT
4
SN: F40003-
?
01643-30623
WASHER
4
SN: F40003-
?
8233-06-3350
DIODE
3
SN: F40003-
?
569-06-61970
RELAY
3
SN: F40003-
?
287-06-16420
BRACKET
3
SN: F40003-
?
01010-80616
BOLT
2
SN: F40003-
?
01643-30623
WASHER
2
SN: F40003-
?
?
?
?
?
?
?
?
?
?
?
?
?
?
?