k-part.com
Вход
Komatsu Parts Catalogs
Корень
Excavators Komatsu
PC138US-10 S/N F40003 AND UP(PC138U10)
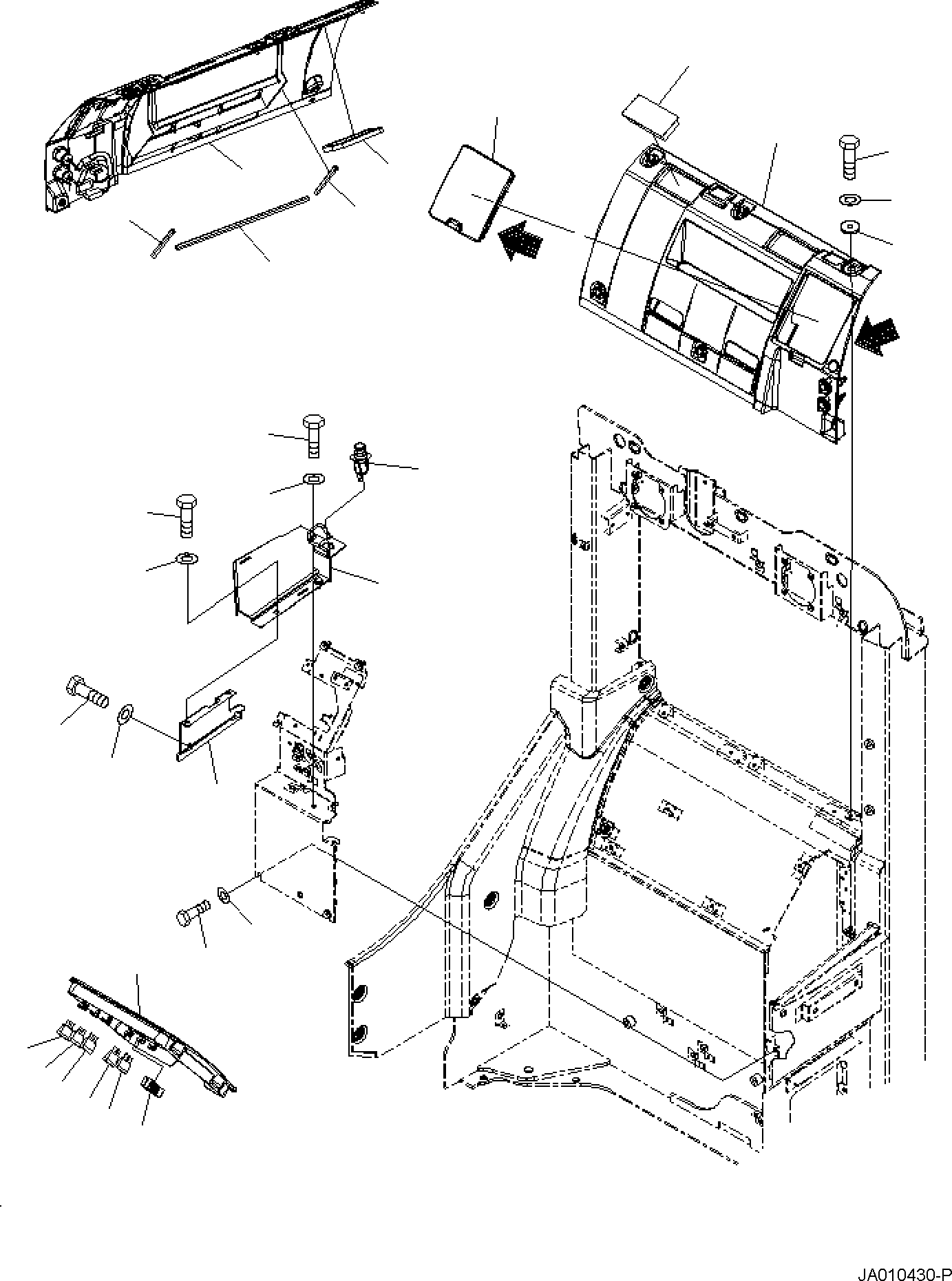
OPERATOR'S SEAT REAR COVER (COVER)(K0180-001001 : K0180-001001)
Item
PartNo
Description
Qty
Options
Ref
Alt
?
22B-54-35431
COVER, ASSEMBLY
1
SN: F40003-
?
2A5-53-11731
• COVER, ASSEMBLY
1
SN: F40003-
?
22U-43-22340
• • PULLER
1
SN: F40003-
?
2A5-53-11651
• • COVER
1
SN: F40003-
?
08041-00500
• • FUSE 5A
1
SN: F40003-
?
08041-01000
• • FUSE 10A
1
SN: F40003-
?
08041-02000
• • FUSE 20A
1
SN: F40003-
?
08041-02500
• • FUSE 25A
1
SN: F40003-
?
08041-03000
• • FUSE 30A
1
SN: F40003-
?
22B-54-35440
• COVER
1
SN: F40003-
?
22B-54-25430
• SEAL
2
SN: F40003-
?
22B-54-25441
• TRIM
1
SN: F40003-
?
22B-54-25451
• TRIM
2
SN: F40003-
?
01010-D0616
BOLT
6
SN: F40003-
?
01643-70623
WASHER
6
SN: F40003-
?
20Y-53-12310
COLLAR
6
SN: F40003-
?
22U-979-2381
GRILLE
2
SN: F40003-
?
22B-54-35411
COVER
1
SN: F40003-
?
01010-D0816
BOLT
3
SN: F40003-
?
01643-70823
WASHER
3
SN: F40003-
?
22B-979-3751
PLATE
1
SN: F40003-
?
01010-D0820
BOLT
2
SN: F40003-
?
01643-70823
WASHER
2
SN: F40003-
?
01010-D0816
BOLT
4
SN: F40003-
?
01643-70823
WASHER
4
SN: F40003-
?
20Y-06-23472
CIGARETTE LIGHTER
1
SN: F40003-
?
?
?
?
?
?
?
?
?
?
?
?
?
?
?
?
?
?
?
?
?
?
?
?
?
?
?
?
?
?
?
?
?