k-part.com
Вход
Komatsu Parts Catalogs
Корень
Excavators Komatsu
PC100N-6 S/N 1004-UP(pc100n-r)
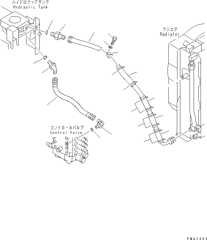
OIL COOLER LINE(150100 : H0320-01A0)
Item
PartNo
Description
Qty
Options
Ref
Alt
?
203-62-61432
HOSE ? 1270MM
1
SN: 1004-
?
205-62-53780
COVER
3
SN: 1004-
?
08034-00536
BAND
6
SN: 1004-
?
203-62-52210
RUBBER
1
SN: 1004-
?
08034-00536
BAND
2
SN: 1004-
?
281-01-13180
CLIP
1
SN: 1004-
?
01010-81230
BOLT
1
SN: 1004-
?
01643-31232
WASHER
1
SN: 1004-
?
07235-10628
ELBOW
1
SN: 1004-
?
07002-02434
O-RING
1
SN: 1004-
?
203-62-59160
HOSE ? 560MM
1
SN: 1004-
?
07230-21034
UNION
1
SN: 1004-
?
07002-03334
O-RING
1
SN: 1004-
?
203-62-61230
ELBOW
1
SN: 1004-
?
07002-02434
O-RING
1
SN: 1004-
?
?
?
?
?
?
?
?
?
?
?
?
?
?
?
?
?
?
?
?