Komatsu Parts Catalogs























Item PartNo Description Qty Options Ref Alt
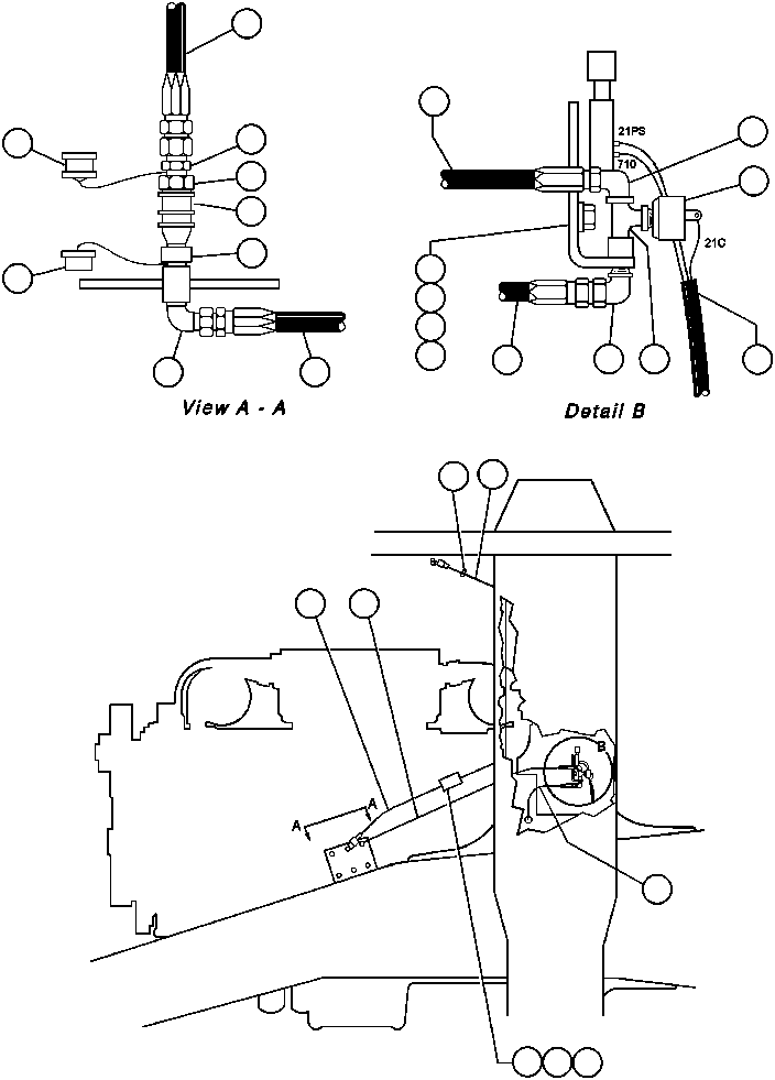
? HA2571 • HOSE 1
? TD9747 • • ADAPTOR - 90 DEG 1
? TJ2125 • • CAP, DUST 1
? TJ2124 • • CAP, DUST 1
? DL4791 • • ADAPTOR - 45 DEG 1
? HA0680 • • HOSE 1
? TJ4234 • • PLUG 1
? TJ4235 • • SOCKET - 1/4" 1
? SG6077 • • NIPPLE 1
? VZ4843 • • TIE, CABLE 4
? HA4008 • • HOSE 1
? TD9746 • • ELBOW - 90 DEG 2
? DD4242 • • ADAPTOR, TEE 1
? VZ0589 • • SWITCH, PRESSURE 1
? TM4889 • • PLATE 1
? C1608 • • CAPSCREW - 7/16" - 14NC X 1" 2
? C5775 • • LOCKWASHER - 7/16" 2
? C1548 • • FLAT WASHER - 7/16" 2
? C1521 • • NUT - 3/8" - 16NC 6
? YA3175 • • HARNESS, ENGINE 1
? TG2960 • • CLAMP 6
? C0312 • • LOCK WASHER - 3/8" 6

Dump Trucks Komatsu / AFE42-Q 630E S/N 32418 LEIGHTON(afe42-q) / ENGINE GAUGE PIPING(056 : 30747)
?
?
?
?
?
?
?
?
?
?
?
?
?
?
?
?
?
?
?
?
?
?
?
?
?
?
?
?