|
Item |
PartNo |
Description |
Qty |
Options |
Ref |
Alt |
|
? |
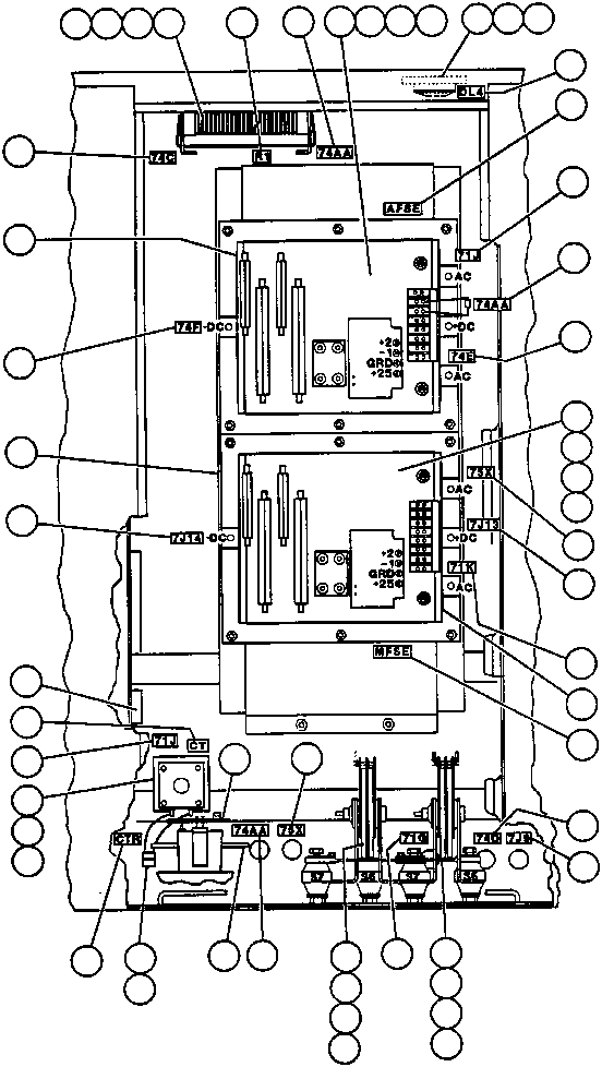
PB5887 |
• PANEL, RESISTOR |
1 |
|
|
|
|
? |
MM0460 |
• • FLAT WASHER - M8 |
14 |
|
|
|
|
? |
MM0470 |
• • LOCKWASHER - M8 |
14 |
|
|
|
|
? |
MM0177 |
• • NUT - M8 X 1.25 |
14 |
|
|
|
|
? |
TZ7513 |
• • NAME PLATE - AFSE |
1 |
|
|
|
|
? |
VS0035 |
• • DOME LIGHT |
1 |
|
|
|
|
? |
VZ1912 |
• • BULB |
2 |
|
|
|
|
? |
TM9090 |
• • INSULATOR |
2 |
|
|
|
|
? |
DC3101 |
• • LOCKWASHER - #10 |
3 |
|
|
|
|
? |
TG1929 |
• • MACHINE SCREW - #10 |
3 |
|
|
|
|
? |
ED6878 |
• • GASKET |
1 |
|
|
|
|
? |
PB8838 |
• • STATIC EXCITER, ALT FIELD |
1 |
|
|
|
|
? |
PB8837 |
• • STATIC EXCITER, MOTOR FIELD |
1 |
|
|
|
|
? |
ED0373 |
• • PLATE, NAME - 74C |
1 |
|
|
|
|
? |
ED0374 |
• • PLATE, NAME - 74F |
1 |
|
|
|
|
? |
ED0368 |
• • PLATE, NAME - 7J14 |
1 |
|
|
|
|
? |
TZ7516 |
• • NAME PLATE - CT |
1 |
|
|
|
|
? |
PB7875 |
• • RESISTOR |
1 |
|
|
|
|
? |
MM0459 |
• • FLAT WASHER - M6 |
8 |
|
|
|
|
? |
MM0378 |
• • LOCKWASHER, EXTERNAL TOOTH - M4 |
8 |
|
|
|
|
? |
MM0372 |
• • NUT - M4 |
8 |
|
|
|
|
? |
PB5230 |
• • RESISTOR |
1 |
|
|
|
|
? |
EC2026 |
• • HOUSING - CURRENT TRANSFORMER RESISTOR |
1 |
|
|
|
|
? |
TK7659 |
• • RESISTOR |
1 |
|
|
|
|
? |
PB3167 |
• • TRANSFORMER, RIPPLE |
1 |
|
|
|
|
? |
PB6117 |
• • PANEL |
1 |
|
|
|
|
? |
PB4262 |
• • TRANSFORMER, CURRENT |
1 |
|
|
|
|
? |
MM0027 |
• • CAPSCREW - M6 X 1 X 25 |
2 |
|
|
|
|
? |
MM0469 |
• • LOCKWASHER - M6 |
2 |
|
|
|
|
? |
EC7257 |
• • PLATE, NAME - CTR |
1 |
|
|
|
|
? |
ED0361 |
• • PLATE, NAME - 71G |
1 |
|
|
|
|
? |
ED0362 |
• • PLATE, NAME - 74D |
1 |
|
|
|
|
? |
ED0363 |
• • PLATE, NAME - 7J9 |
1 |
|
|
|
|
? |
EC7460 |
• • PLATE, NAME - DL4 |
1 |
|
|
|
|
? |
ED0359 |
• • PLATE, NAME - 74AA |
3 |
|
|
|
|
? |
TZ7543 |
• • NAME PLATE - R1 |
1 |
|
|
|
|
? |
ED0358 |
• • PLATE, NAME - 71J |
2 |
|
|
|
|
? |
ED0372 |
• • PLATE, NAME - 74E |
1 |
|
|
|
|
? |
ED0360 |
• • PLATE, NAME - 75X |
2 |
|
|
|
|
? |
ED0370 |
• • PLATE, NAME - 7J13 |
1 |
|
|
|
|
? |
ED0369 |
• • PLATE, NAME - 71K |
1 |
|
|
|
|
? |
TZ7514 |
• • NAME PLATE - MFSE |
1 |
|
|
|
|
? |
ED0384 |
• • PLATE, NAME - 710 |
1 |
|
|
|