|
Item |
PartNo |
Description |
Qty |
Options |
Ref |
Alt |
|
? |
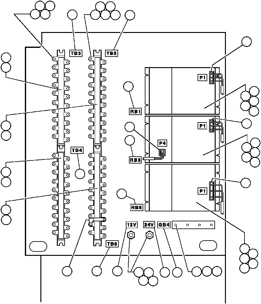
PB5732 |
• BOARD, TERMINAL |
4 |
|
|
|
|
? |
MM0206 |
• • LOCKWASHER - M5 |
6 |
|
|
|
|
? |
MM0459 |
• • FLAT WASHER - M6 |
18 |
|
|
|
|
? |
MM0373 |
• • NUT - M5 |
6 |
|
|
|
|
? |
WA3367 |
• • NUT ASSM |
80 |
|
|
|
|
? |
TZ7537 |
• • NAME PLATE - TB3 |
1 |
|
|
|
|
? |
EC8817 |
• • PLATE, NAME - TB5 |
1 |
|
|
|
|
? |
MM0469 |
• • LOCKWASHER - M6 |
12 |
|
|
|
|
? |
SM1943 |
• • PANEL, RELAY ASSM (TURN SIGNAL) |
1 |
|
|
|
|
? |
SM3027 |
• • MODULE, FLASHER |
1 |
|
|
|
|
? |
SM3188 |
• • BREAKER, CIRCUIT - 15 AMP |
3 |
|
|
|
|
? |
SM3189 |
• • RELAY |
4 |
|
|
|
|
? |
SM1951 |
• • PANEL, RELAY ASSM (STOP LIGHTS) |
1 |
|
|
|
|
? |
SM3035 |
• • MODULE, LIGHT DISPLAY |
1 |
|
|
|
|
? |
SM3188 |
• • BREAKER, CIRCUIT - 15 AMP |
4 |
|
|
|
|
? |
SM3189 |
• • RELAY |
4 |
|
|
|
|
? |
SM1959 |
• • PANEL, RELAY ASSM (HEAD LIGHTS) |
1 |
|
|
|
|
? |
SM3043 |
• • MODULE, LIGHT DISPLAY |
1 |
|
|
|
|
? |
SM3188 |
• • BREAKER, CIRCUIT - 15 AMP |
4 |
|
|
|
|
? |
SM3189 |
• • RELAY |
4 |
|
|
|
|
? |
DC3584 |
• • LOCKWASHER - 1/4" |
4 |
|
|
|
|
? |
SP8417 |
• • FLAT WASHER - 1/4" |
4 |
|
|
|
|
? |
TD1548 |
• • CAPSCREW - 1/4" - 20NC X 5/8" |
4 |
|
|
|
|
? |
EC8819 |
• • PLATE, NAME - RB1 |
1 |
|
|
|
|
? |
EC8821 |
• • PLATE, NAME - RB3 |
1 |
|
|
|
|
? |
EC8818 |
• • PLATE, NAME - TB6 |
1 |
|
|
|
|
? |
EC8823 |
• • PLATE, NAME - RB5 |
1 |
|
|
|
|
? |
TZ7539 |
• • NAME PLATE - GB4 |
1 |
|
|
|
|
? |
TZ7377 |
• • NAME PLATE - 24 VDC |
1 |
|
|
|
|
? |
TA7409 |
• • INSULATOR, STAND-OFF |
2 |
|
|
|
|
? |
SD5020 |
• • LOCKWASHER - 1/4" |
4 |
|
|
|
|
? |
TZ7378 |
• • NAME PLATE - 12 VDC |
1 |
|
|
|
|
? |
TZ7538 |
• • NAME PLATE - TB4 |
1 |
|
|
|
|
? |
SM3046 |
• • NUT (SPECIAL) |
6 |
|
|
|
|
? |
ED8151 |
• • HARNESS - RB1 (P1) |
1 |
|
|
|
|
? |
ED8152 |
• • HARNESS - RB3 (P1/P2) |
1 |
|
|
|
|
? |
ED8155 |
• • HARNESS - RB5 (P1) |
1 |
|
|
|
|
? |
ED8154 |
• • HARNESS - RB3 (P4) |
1 |
|
|
|
|
? |
EB7418 |
• • BAR, BUS |
1 |
|
|
|
|
? |
MM0581 |
• • CAPSCREW - M6 - 1.00 X 16 |
6 |
|
|
|
|
? |
ED0913 |
• • ROD, THREADED |
2 |
|
|
|
|
? |
TD1549 |
• • NUT - 1/4" - 20NC |
2 |
|
|
|
|
? |
VM2951 |
• • SET SCREW - #6 - 32NC X 5/16" |
8 |
|
|
|
|
? |
WB2095 |
• • STRIP, CIRCUIT I.D. |
1 |
|
|
|
|
? |
WB0779 |
• • STRIP, CIRCUIT I.D. |
1 |
|
|
|
|
? |
WB2096 |
• • STRIP, CIRCUIT I.D. |
1 |
|
|
|
|
? |
WB2098 |
• • STRIP, CIRCUIT I.D. |
1 |
|
|
|