k-part.com
Вход
Komatsu Parts Catalogs
Корень
Dump Trucks Komatsu
AFE42-Q 630E S/N 32418 LEIGHTON(afe42-q)
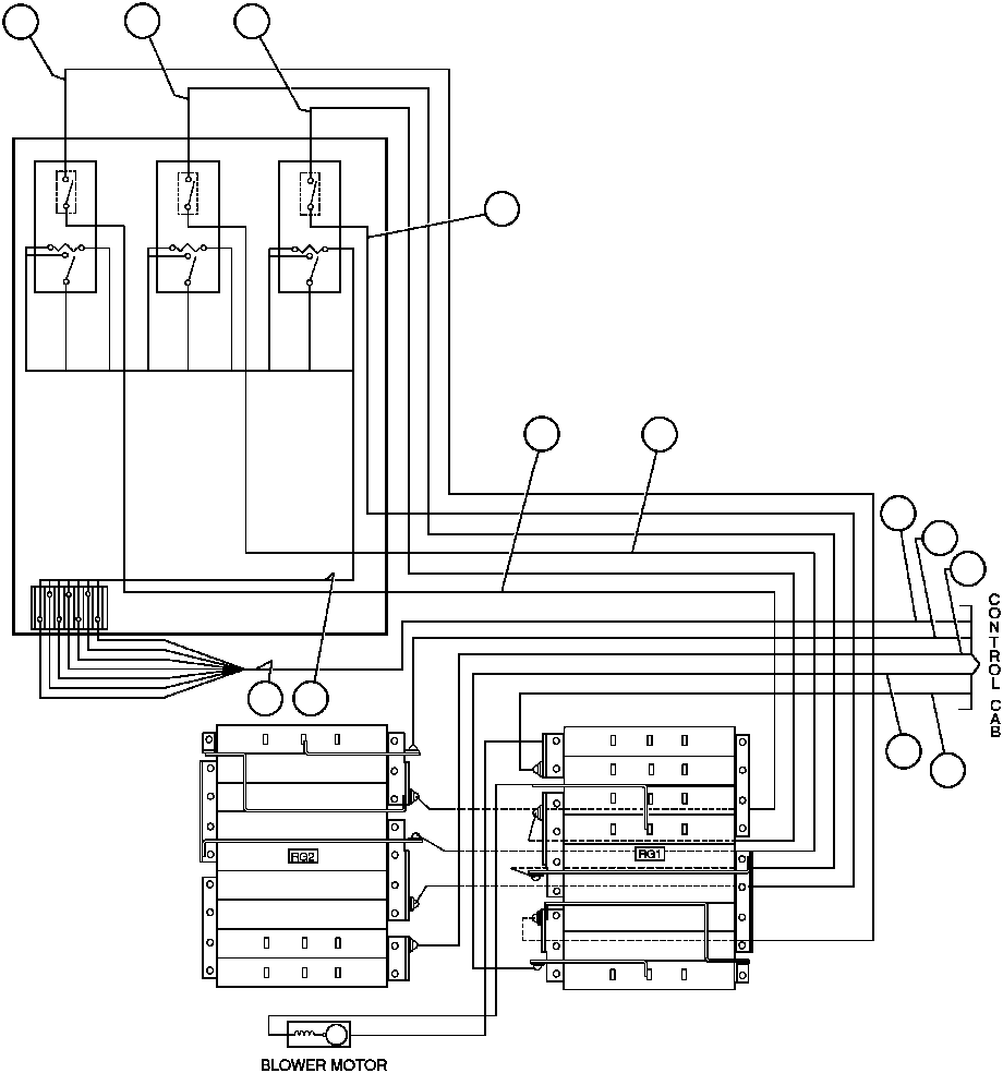
ELECTRIC POWER COMPONENTS WIRING - 2(212 : 40989)
Item
PartNo
Description
Qty
Options
Ref
Alt
?
EB2399
• HARNESS
1
?
CH2678
• • CABLE - 7J7
1
?
CH2639
• • CABLE - 7J2
1
?
CH2636
• • CABLE - 7J10
1
?
CH2679
• • CABLE - 7J8
1
?
CH2629
• • CABLE - 7J18
1
?
CH2631
• • CABLE - 7J16
1
?
EB2400
• • HARNESS
1
?
CH2627
• • CABLE - 7J32
1
?
CH2630
• • CABLE - 7J15
1
?
CH2632
• • CABLE - 7J17
1
?
CH2628
• • CABLE - 7J30
1
?
?
?
?
?
?
?
?
?
?
?
?
?