Komatsu Parts Catalogs

Title Page Reference
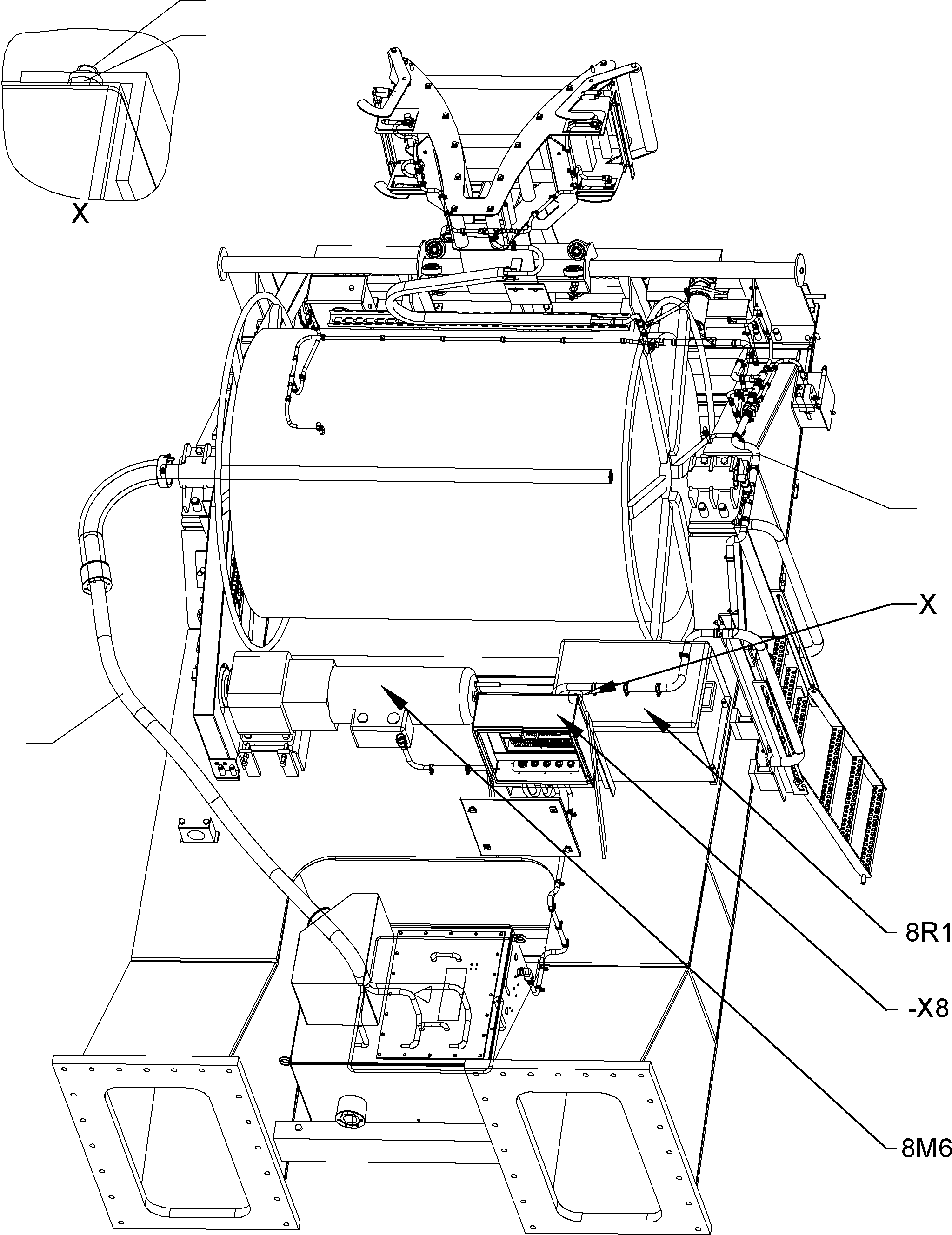
Switch Box 991-0869 991-0869








































Item PartNo Description Qty Options Ref Alt
? 797 312 73 Harness junction box X8-switch 1
EnglischBem:
DeutschBem:
DeutschDesc: Kabelbaum Klemmenkasten X8-Schalter
InternBDB:
InternKon:
SerienBem:
Zwhead_Deu:
Zwhead_Eng:
? 797 313 73 MS-Cable 1
EnglischBem:
DeutschBem:
DeutschDesc: MS-Kabel
InternBDB:
InternKon:
SerienBem:
Zwhead_Deu:
Zwhead_Eng:
? 512 843 98 Srew 4
EnglischBem:
DeutschBem:
DeutschDesc: Schraube
InternBDB:
InternKon:
SerienBem:
Zwhead_Deu:
Zwhead_Eng:
? 509 870 98 Nut 4
EnglischBem:
DeutschBem:
DeutschDesc: Mutter
InternBDB:
InternKon:
SerienBem:
Zwhead_Deu:
Zwhead_Eng:
? 907 672 40 Switch 1
EnglischBem:
DeutschBem:
DeutschDesc: Schalter
InternBDB:
InternKon:
SerienBem:
Zwhead_Deu:
Zwhead_Eng:
? 796 179 73 Sensor 8
EnglischBem:
DeutschBem:
DeutschDesc: Sensor
InternBDB:
InternKon:
SerienBem:
Zwhead_Deu:
Zwhead_Eng:
? 796 180 73 Position switch 2
EnglischBem:
DeutschBem:
DeutschDesc: Positionsschalter
InternBDB:
InternKon:
SerienBem:
Zwhead_Deu:
Zwhead_Eng:
? 907 213 40 Cable protection hose DN 29 A/R
EnglischBem:
DeutschBem:
DeutschDesc: Schutzschlauchleitung DN 29
InternBDB:
InternKon:
SerienBem:
Zwhead_Deu:
Zwhead_Eng:
? 906 079 40 T-Distributor DN 29 1
EnglischBem:
DeutschBem:
DeutschDesc: T-Verteiler DN 29
InternBDB:
InternKon:
SerienBem:
Zwhead_Deu:
Zwhead_Eng:
? 797 279 73 Cable union DN 29-90 2
EnglischBem:
DeutschBem:
DeutschDesc: Kabelverschraubung DN 29-90
InternBDB:
InternKon:
SerienBem:
Zwhead_Deu:
Zwhead_Eng:
? 907 947 40 Y-Distributor DN 29/23 1
EnglischBem:
DeutschBem:
DeutschDesc: Y-Verteiler DN 29/23
InternBDB:
InternKon:
SerienBem:
Zwhead_Deu:
Zwhead_Eng:
? 907 971 40 Pipe adapter DN 23/12 4
EnglischBem:
DeutschBem:
DeutschDesc: Rohradapter DN 23/12
InternBDB:
InternKon:
SerienBem:
Zwhead_Deu:
Zwhead_Eng:
? 907 178 40 Cable protection hose DN 12 A/R
EnglischBem:
DeutschBem:
DeutschDesc: Schutzschlauchleitung DN 12
InternBDB:
InternKon:
SerienBem:
Zwhead_Deu:
Zwhead_Eng:
? 906 420 40 T-Distributor DN 12 5
EnglischBem:
DeutschBem:
DeutschDesc: T-Verteiler DN 12
InternBDB:
InternKon:
SerienBem:
Zwhead_Deu:
Zwhead_Eng:
? 907 623 40 Cable union DN 12 3
EnglischBem:
DeutschBem:
DeutschDesc: Kabelverschraubung DN 12
InternBDB:
InternKon:
SerienBem:
Zwhead_Deu:
Zwhead_Eng:
? 907 180 40 Cable protection hose DN 23 A/R
EnglischBem:
DeutschBem:
DeutschDesc: Schutzschlauchleitung DN 23
InternBDB:
InternKon:
SerienBem:
Zwhead_Deu:
Zwhead_Eng:
? 907 733 40 T-Distributor DN 23 3
EnglischBem:
DeutschBem:
DeutschDesc: T-Verteiler DN 23
InternBDB:
InternKon:
SerienBem:
Zwhead_Deu:
Zwhead_Eng:
? 907 994 40 Cable union DN 12-90 7
EnglischBem:
DeutschBem:
DeutschDesc: Kabelverschraubung DN 12-90
InternBDB:
InternKon:
SerienBem:
Zwhead_Deu:
Zwhead_Eng:
? 655 634 40 Pipe adapter DN 23/17 1
EnglischBem:
DeutschBem:
DeutschDesc: Rohradapter DN 23/127
InternBDB:
InternKon:
SerienBem:
Zwhead_Deu:
Zwhead_Eng:
? 907 179 40 Cable protection hose DN 17 A/R
EnglischBem:
DeutschBem:
DeutschDesc: Schutzschlauchleitung DN 17
InternBDB:
InternKon:
SerienBem:
Zwhead_Deu:
Zwhead_Eng:
? 655 629 40 T-Distributor DN 17 2
EnglischBem:
DeutschBem:
DeutschDesc: T-Verteiler DN 17
InternBDB:
InternKon:
SerienBem:
Zwhead_Deu:
Zwhead_Eng:
? 655 633 40 Pipe adapter DN 17/12 3
EnglischBem:
DeutschBem:
DeutschDesc: Rohradapter DN 17/12
InternBDB:
InternKon:
SerienBem:
Zwhead_Deu:
Zwhead_Eng:
? 797 280 73 Cable union DN 12 1
EnglischBem:
DeutschBem:
DeutschDesc: Kabelverschraubung DN 12
InternBDB:
InternKon:
SerienBem:
Zwhead_Deu:
Zwhead_Eng:
? 940 695 40 Alu-steck rinne A/R
EnglischBem:
DeutschBem:
DeutschDesc: Alu-Steckrinne
InternBDB:
InternKon:
SerienBem:
Zwhead_Deu:
Zwhead_Eng:
? 940 694 40 E-Chain assy. A/R
EnglischBem:
DeutschBem:
DeutschDesc: E-Kette
InternBDB:
InternKon:
SerienBem:
Zwhead_Deu:
Zwhead_Eng:
? 940 711 40 Connecting set 1
EnglischBem:
DeutschBem:
DeutschDesc: E-Kette Anschlusselement
InternBDB:
InternKon:
SerienBem:
Zwhead_Deu:
Zwhead_Eng:
? 797 281 73 Reduction 32/25 1
EnglischBem:
DeutschBem:
DeutschDesc: Reduzierung 32/25
InternBDB:
InternKon:
SerienBem:
Zwhead_Deu:
Zwhead_Eng:
? 797 282 73 Cable union DN 17-90 1
EnglischBem:
DeutschBem:
DeutschDesc: Kabelverschraubung DN 17-90
InternBDB:
InternKon:
SerienBem:
Zwhead_Deu:
Zwhead_Eng:
? 797 283 73 Cable union DN 29 1
EnglischBem:
DeutschBem:
DeutschDesc: Kabelverschraubung DN 29
InternBDB:
InternKon:
SerienBem:
Zwhead_Deu:
Zwhead_Eng:
? 655 635 40 Pipe adapter DN 29/17 2
EnglischBem:
DeutschBem:
DeutschDesc: Rohradapter DN 29/17
InternBDB:
InternKon:
SerienBem:
Zwhead_Deu:
Zwhead_Eng:
? 332 945 40 Welding screw 73
EnglischBem:
DeutschBem:
DeutschDesc: Schweissbolzen
InternBDB:
InternKon:
SerienBem:
Zwhead_Deu:
Zwhead_Eng:
? 512 465 98 Nut 77
EnglischBem:
DeutschBem:
DeutschDesc: Mutter
InternBDB:
InternKon:
SerienBem:
Zwhead_Deu:
Zwhead_Eng:
? 797 284 73 Tube Clamp NW12 41
EnglischBem:
DeutschBem:
DeutschDesc: Rohrschelle NW12
InternBDB:
InternKon:
SerienBem:
Zwhead_Deu:
Zwhead_Eng:
? 797 285 73 Tube Clamp NW17 18
EnglischBem:
DeutschBem:
DeutschDesc: Rohrschelle NW17
InternBDB:
InternKon:
SerienBem:
Zwhead_Deu:
Zwhead_Eng:
? 797 286 73 Tube Clamp NW23 6
EnglischBem:
DeutschBem:
DeutschDesc: Rohrschelle NW23
InternBDB:
InternKon:
SerienBem:
Zwhead_Deu:
Zwhead_Eng:
? 797 287 73 Tube Clamp NW29 13
EnglischBem:
DeutschBem:
DeutschDesc: Rohrschelle NW29
InternBDB:
InternKon:
SerienBem:
Zwhead_Deu:
Zwhead_Eng:
? 340 653 40 Washer 4
EnglischBem:
DeutschBem:
DeutschDesc: Scheibe
InternBDB:
InternKon:
SerienBem:
Zwhead_Deu:
Zwhead_Eng:
? 320 444 99 Screw 2
EnglischBem:
DeutschBem:
DeutschDesc: Schraube
InternBDB:
InternKon:
SerienBem:
Zwhead_Deu:
Zwhead_Eng:
? 321 205 99 Screw 2
EnglischBem:
DeutschBem:
DeutschDesc: Schraube
InternBDB:
InternKon:
SerienBem:
Zwhead_Deu:
Zwhead_Eng:

Excavators Mining Komatsu / PC8000-6E S/N 12085(G12085) / Cables- Cable Duct(991-0868 : 991-0868)
?
?
?
?
Excavators Mining Komatsu / PC8000-6E S/N 12085(G12085) / Cables- Cable Duct(991-0868 : 991-0868)
?
?
?
?
?
?
?
?
?
?
?
Excavators Mining Komatsu / PC8000-6E S/N 12085(G12085) / Cables- Cable Duct(991-0868 : 991-0868)
?
?
?
?
?
?
?
?
?
?
?
?
?
?
?
?
?
?
?
?
?
?
?
?
?
?
?
?
?
?
?
?
?
?
?
?
?
?
?
?
?
?
?
?
?
?
?
?
?
?
?
?
?
?
?
?
?
?
?
?
?
?
?
?
?
?
?
?
?
?
?
?
?
?
?
?
?
?
Excavators Mining Komatsu / PC8000-6E S/N 12085(G12085) / Cables- Cable Duct(991-0868 : 991-0868)
?
?
?
?
?
?
?
?
?
?
?
?
?
?
?
?
?
?
?
?
?
?
?
?
?
?
?
?
?
?
?
?
?
?
?
?
?
?
Excavators Mining Komatsu / PC8000-6E S/N 12085(G12085) / Cables- Cable Duct(991-0868 : 991-0868)
?
?
?
?
?
?
?
?
?
?
?
?
?
?
?
?
?