|
Item |
PartNo |
Description |
Qty |
Options |
Ref |
Alt |
|
? |
MM0178 |
NUT - M10 X 1.50 |
2 |
|
|
|
|
? |
MM0471 |
LOCKWASHER - M10 |
2 |
|
|
|
|
? |
MM0461 |
FLAT WASHER - M10 |
2 |
|
|
|
|
? |
08193-20012 |
CLIP |
1 |
|
|
|
|
? |
WB3097 |
CLAMP, CUSHION - 1/2" |
2 |
|
|
|
|
? |
MM0025 |
CAPSCREW - M6 X 1.00 X 20 |
4 |
|
|
|
|
? |
MM0469 |
LOCKWASHER - M6 |
4 |
|
|
|
|
? |
MM0717 |
NUT - M6 X 1.00 |
4 |
|
|
|
|
? |
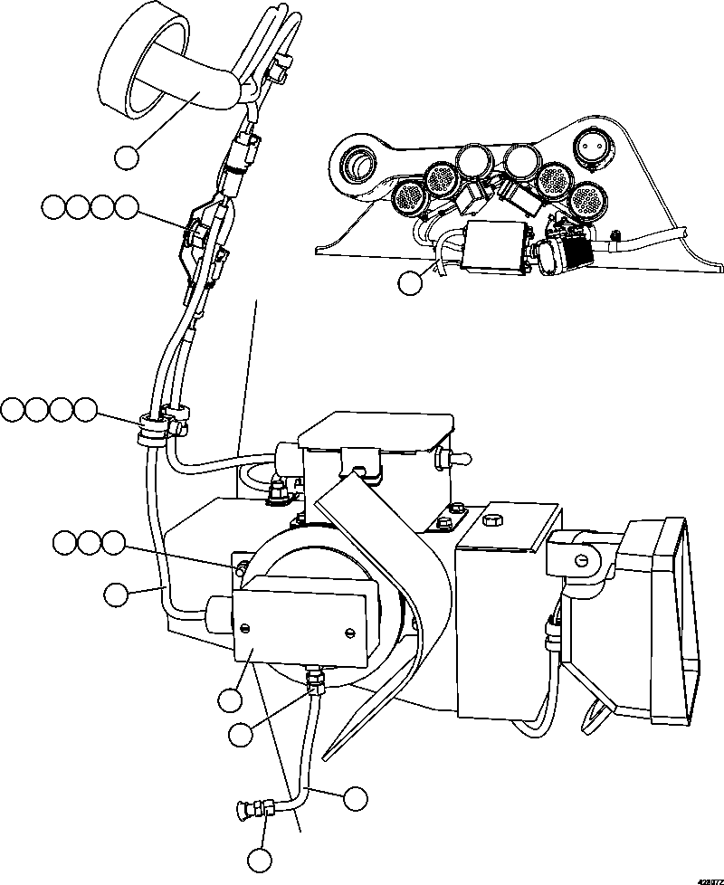
EM1179 |
BLOWER PRESSURE SWITCH ASSEMBLY |
1 |
|
|
|
|
? |
EL9925 |
• HARNESS |
1 |
|
|
|
|
? |
PB4673 |
• PRESSURE SWITCH, BLOWER |
1 |
|
|
|
|
? |
TA0603 |
FITTING, NYLON |
2 |
|
|
|
|
? |
TK7603 |
TUBE, NYLON |
1 |
|
|
|
|
? |
XB0591 |
HARNESS, BLOWER PRESSURE SWITCH |
1 |
|
|
|