k-part.com
Вход
Komatsu Parts Catalogs
Корень
Excavators Komatsu
PC340LCD-7K HIGH REACH DEMOLITION S/N K40575-UP(pc340lcd)
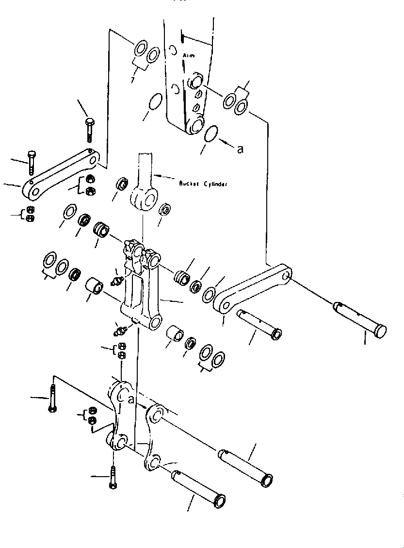
LINK PINS AND BUSHINGS(380300 : T1230-01A0)
Item
PartNo
Description
Qty
Options
Ref
Alt
?
20Y-973-1310
LINK
1
?
206-70-53150
BUSHING
2
?
205-70-67150
BUSHING
2
?
07020-00000
FITTING
3
?
20Y-70-23230
SEAL
6
?
205-70-51530
SPACER
6
?
20Y-70-11340
SPACER
4
?
KV-B230-1240
LINK
1
?
206-70-53141
PIN
2
?
205-70-73190
BOLT
3
?
01580-12016
NUT
8
?
205-70-73280
O-RING
2
?
207-70-81270
PIN
2
?
362-46-11210
BOLT
1
?
KV-B230-1250
LINK
1
?
?
?
?
?
?
?
?
?
?
?
?
?
?
?
?
?
?
?
?
?
?
?
?
?
?
?
?
?
?
?
?
?
?