k-part.com
Вход
Komatsu Parts Catalogs
Корень
Excavators Komatsu
PC340LCD-7K HIGH REACH DEMOLITION S/N K40575-UP(pc340lcd)
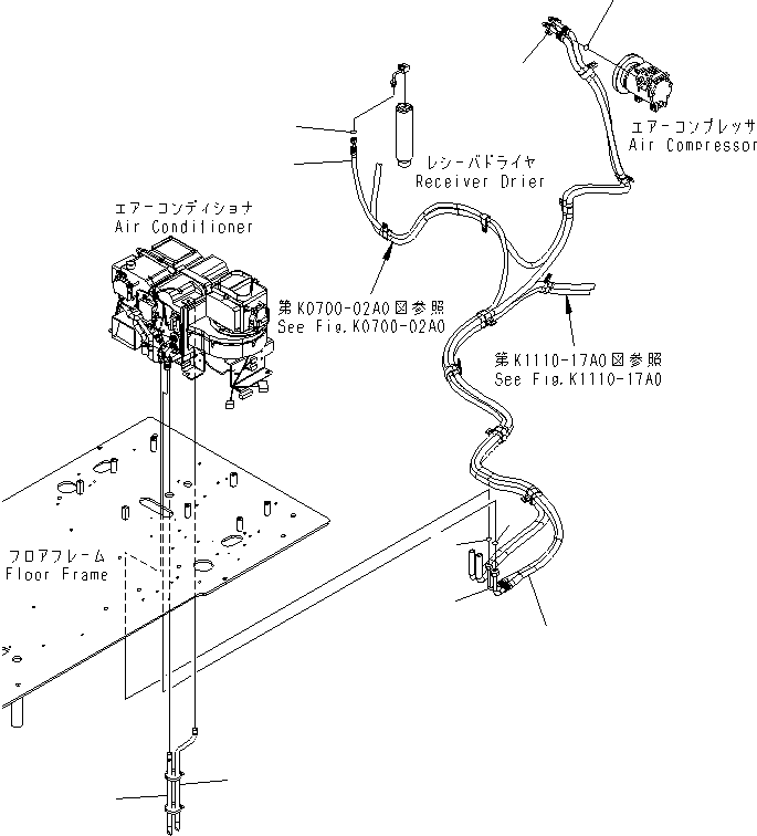
FLOOR (A/C HOSE)(TILT CAB)(230300 : K1110-03A0)
Item
PartNo
Description
Qty
Options
Ref
Alt
?
20Y-979-6281
HOSE
1
?
20Y-979-6291
HOSE
1
?
207-979-KA90
HOSE
1
?
20Y-979-3150
O-RING
2
?
207-979-KB10
HOSE
1
?
20Y-64-3130
O-RING
2
?
?
?
?
?
?
?
?
?
?