k-part.com
Вход
Komatsu Parts Catalogs
Корень
Excavators Komatsu
PC180NLC-7K S/N K40001-UP(pc180n1u)
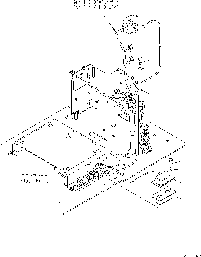
FLOOR FRAME (12V CONVERTER)(210560 : K1110-23A0)
Item
PartNo
Description
Qty
Options
Ref
Alt
?
20Y-06-31190
BRACKET
1
SN: K40001-
?
22U-06-22250
CONVERTER
1
SN: K40001-
?
01010-80620
BOLT
2
SN: K40001-
?
01643-30623
WASHER
2
SN: K40001-
?
04434-51010
CLIP
1
SN: K40001-
?
01010-81020
BOLT
1
SN: K40001-
?
01643-31032
WASHER
1
SN: K40001-
?
?
?
?
?
?
?